3.7V降压3.3V,5V降压3.3V升降压IC
- 2020-11-02 13:12:00
- admin 原创
- 1556
3.7V降压 3.3V, 5V降压 3.3V可选择:1升降压芯片, 2单降压芯片, 3LDO稳压芯片。
1,升降压芯片:
3.7V电压一般都是锂电池多,锂电池的标称电压是 3.7V,锂电池满电电压是达到 4.2V,一般带保护板的话,最低放电电压是 3V,所以锂电池的输入电压是 3V-4.2V直接。
如何将 3V-4.2V的电压稳压成固定 3.3V呢?里面包含了升压 3V降压 3.3V和降压 3.3V-4.2V降压 3.3V.
1-1: PW5410B,输入电压 1.8V-5V之间,宽于并可满足 3V-4.2V的输入电压。 PW5410是电荷升压芯片,外围仅 3个电容,使用于 200MA以下电流应用。
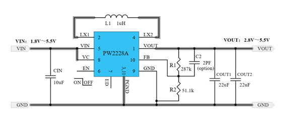
1-2: PW2228A和 PW2224,输入电压 1.8V-5V之间,宽于并可满足 3V-4.2V的输入电压,可以调节输出电压 2.8V-5V的范围之间。 PW2228A是 1.5A最大规格, PW2224是 3A最大规格。
2单降压芯片
5V作为一个常见和常用的电压值,他并无固定在那个电池或者产品等。 5V输入,降至到 3.3V比较简单,不需要用到升降压芯片,选择也是很多。如 :PW2057,PW2051,WP2052,PW2053等等。
|
DC-DC 降压产品 |
输入电压 |
输出电压 |
输出电流 |
频率 |
封装 |
|
PW2058 |
2.0V~ 6.0V |
1V~ 5V |
0.8A |
1.5MHz |
SOT23-5 |
|
PW2051 |
2.5V~ 5.5V |
1V~ 5V |
1.5A |
1.5MHz |
SOT23-5 |
|
PW2052 |
2.5V~ 5.5V |
1V~ 5V |
2.0A |
1.0 MHz |
SOT23-5 |
|
PW2053 |
2.5V~ 5.5V |
1V~ 5V |
3.0A |
1.0 MHz |
SOT23-5 |
|
PW2162 |
4.5V~ 16V |
1V~ 15V |
2A |
600KHZ |
SOT23-6 |
|
PW2163 |
4.5V~ 16V |
1V~ 15V |
3A |
600KHZ |
SOT23-6 |
|
PW2205 |
4.5V~ 20V |
1V~ 15V |
5A |
340KHZ |
SOP8-EP |
|
PW2312 |
4.0V~ 30V |
1V~ 28V |
1.2A |
1.4 MHz |
SOT23-6 |
|
PW2330 |
4.5V~ 30V |
1V~ 28V |
3A |
130KHz |
SOP8 |
|
PW2431 |
4.5V~ 40V |
1V~ 30V |
3A |
340KHz |
SOP8-EP |
|
PW2558 |
4.5V~ 55V |
1.25V~ 30V |
0.8A |
1.2 MHz |
SOT23-6 |
|
PW2608 |
5.5V~ 60V |
1.5-30V |
0.8A |
0.3-1Mhz |
SOP8-EP |
|
PW2815 |
4.5V~ 80V |
1.5V~ 30V |
1.5A |
400KHZ |
SOP8-EP |
|
PW2906 |
12V~ 90V |
1.25V~ 20V |
0.6A |
150KHZ |
SOP8-EP |
|
PW2902 |
8V~ 90V |
5V~ 30V |
2A |
140KHZ |
SOP8-EP |
|
PW2153 |
8V~ 140V |
5V~ 30V |
4A |
140KHZ |
SOP8 |
|
。。。 |
|||||
从输入电压范围来选型即可。一般 5V输入电压稳定的话,有多个不同电流和情况有
不同解决方案:
1,PW2057,输出电压固定 3.3V,最大输出电流 0.7A,可以节省了 2个调压电阻。同步整流效率高。
2,输出电压可调版本,效果高,也是同步整流的
PW2058 最大电流 0.8A
PW2051,最大电流 1.5A
PW2052,最大电流 2A
PW2053,最大电流 3A。
同时,上面 4款芯片的脚位还是 PIN对 PIN的,外围基本一样。
3,输入电压虽然是 5V,但是自己的 5V输入电源不稳定,或者需要经常开关拔插的,输入有时会比 5V更高的。
PW2162输入电压 3.3V-16V之间,最大 2A电流, PW2162-PW2163脚位一样。
PW2163输入电压 4V-30V之间,最大电流 1.2A,
PW2205输入 4.5V-20V之间,最大 3A,
PW2330输入 4.5V-30V之间,最大 3A等。
3 , LDO稳压芯片
3.7V和 5V输入电压采用 LDO了,在电流不大的情况下。根据表格可以选择很多,都可以选择到。
|
LDO产品 |
输入电压 |
输出电压 |
输出电流 |
静态功耗 |
封装 |
|
PW6566 |
1.8V~ 5.5V |
1.2V~ 5V多 |
250mA |
2uA |
SOT23-3 |
|
PW6218 |
4V~ 18V |
3V,3.3V,5V |
100MA |
3uA |
Sot23-3 |
|
PW6206 |
4.5V~ 40V |
3V,3.3V,5V |
150MA |
4.2uA |
Sot23/89 |
|
PW8600 |
4.5V~ 80V |
3V,3.3V,5V |
150MA |
2 uA |
Sot23-3 |
| 联系人: | 郑先生(夸克微科技,不是夸克浏览器的) |
|---|---|
| 电话: | 13528458039 |
| Email: | zqf@kkmicro.com |
| QQ: | 2867714804 |
| 微信: | 13528458039 |
| 地址: | 深圳市福田区赛格广场24楼2401A |





