5V降压2.8V,3.7V降压2.8V,3V降压2.8V降压芯片
- 2020-11-02 13:35:00
- admin 原创
- 1693
5V降压 2.8V和 3.7V降压 2.8V和 3V降压 2.8V可根据电流来选用 1, LDO线性芯片, 2, DC-DC降压芯片
1, LDO线性芯片
一般我们都追求极简的外围电路和元器件的芯片,对于电流小的,不追求效率的, LDO芯片就是第一个选择了。
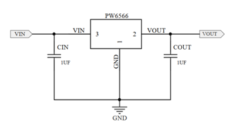
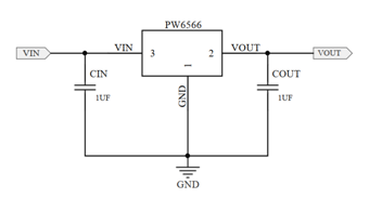
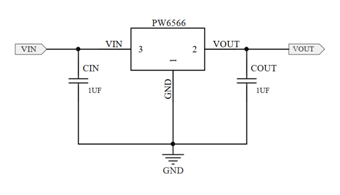
LDO芯片一般推荐用 PW6566即可。成本低,还要更多其他输出电压的选择。三极管的封装形式。如果输入电压需要更高时,则需要选择其他 LDO了。
输入电压
输出电压
输出电流
静态功耗
封装
PW6566
1.8V~ 5.5V
1.2V~ 5V多
250mA
2uA
SOT23-3
PW6218
4V~ 18V
3V,3.3V,5V
100MA
3uA
Sot23-3
PW6206
4.5V~ 40V
3V,3.3V,5V
150MA
4.2uA
Sot23/89
PW8600
4.5V~ 80V
3V,3.3V,5V
150MA
2 uA
Sot23-3
2, DC-DC降压芯片
DC-DC降压芯片如果是 3V或者 3.7V输入的话,则不需要考虑以上的原因。在 5V输入时,有 2钟情况,如果是稳定的 5V供电电压则可以选择 PW2058,PW2051,PW2052,PW2053等等。
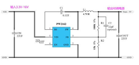
如果输入的 5V是不稳定的,会有瞬间的 6V, 7V等电压出现时,则需要把 7V最高电压纳算入输入电压范围了。需要选择 PW2162,PW2163,PW2203等。
PW2162是一颗 DC-DC同步降压降压换器芯片,输入电压范围 4.5V-16V,最大可负载电流 2A,可调输出电压,频率 600kHZ高频率,可采用贴片电感,节省空间,采用 SOT23-6封装形式。
PW2312是一颗 DC-DC同步降压降压换器芯片,输入电压范围 4V-30V,最大负载电流 1.2A,可调输出电压,频率 1.4MHZ高频率,可采用贴片电感,节省空间,采用 SOT23-6封装形式。
|
降压产品 |
输入电压 |
输出电压 |
输出电流 |
频率 |
封装 |
|
PW2058 |
2.0V~ 6.0V |
1V~ 5V |
0.8A |
1.5MHz |
SOT23-5 |
|
PW2051 |
2.5V~ 5.5V |
1V~ 5V |
1.5A |
1.5MHz |
SOT23-5 |
|
PW2052 |
2.5V~ 5.5V |
1V~ 5V |
2.0A |
1.0 MHz |
SOT23-5 |
|
PW2053 |
2.5V~ 5.5V |
1V~ 5V |
3.0A |
1.0 MHz |
SOT23-5 |
|
PW2162 |
4.5V~ 16V |
1V~ 15V |
2A |
600KHZ |
SOT23-6 |
|
PW2163 |
4.5V~ 16V |
1V~ 15V |
3A |
600KHZ |
SOT23-6 |
|
PW2205 |
4.5V~ 20V |
1V~ 15V |
5A |
340KHZ |
SOP8-EP |
|
PW2312 |
4.0V~ 30V |
1V~ 28V |
1.2A |
1.4 MHz |
SOT23-6 |
|
PW2330 |
4.5V~ 30V |
1V~ 28V |
3A |
130KHz |
SOP8 |
|
PW2431 |
4.5V~ 40V |
1V~ 30V |
3A |
340KHz |
SOP8-EP |
|
PW2558 |
4.5V~ 55V |
1.25V~ 30V |
0.8A |
1.2 MHz |
SOT23-6 |
|
PW2608 |
5.5V~ 60V |
1.5-30V |
0.8A |
0.3-1Mhz |
SOP8-EP |
|
PW2815 |
4.5V~ 80V |
1.5V~ 30V |
1.5A |
400KHZ |
SOP8-EP |
|
PW2906 |
12V~ 90V |
1.25V~ 20V |
0.6A |
150KHZ |
SOP8-EP |
|
PW2902 |
8V~ 90V |
5V~ 30V |
2A |
140KHZ |
SOP8-EP |
|
PW2153 |
8V~ 140V |
5V~ 30V |
4A |
140KHZ |
SOP8 |
|
。。。 |
|||||
| 联系人: | 郑先生(夸克微科技,不是夸克浏览器的) |
|---|---|
| 电话: | 13528458039 |
| Email: | zqf@kkmicro.com |
| QQ: | 2867714804 |
| 微信: | 13528458039 |
| 地址: | 深圳市福田区赛格广场24楼2401A |





