9V降压3V,12V降压3V稳压芯片选型表
- 2020-11-02 13:44:00
- admin 原创
- 1240
9V降压3V降压芯片,9V降压3V降压芯片,9V降压3V稳压芯片,12V降压3V稳压芯片,
9V降压 3V电源芯片, 12V降压 3V输出的电源芯片
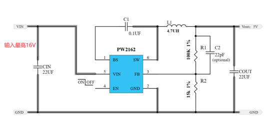
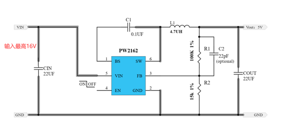
9V降压 3V和 12V降压 3V的典型应用电路:
1, LDO稳压 IC
2, LDO产品 输入电压 输出电压 输出电流 静态功耗 封装
3, PW6566 1.8V~ 5.5V 1.2V~ 5V多 250mA 2uA SOT23-3
4, PW6218 4V~ 18V 3V,3.3V,5V 100MA 3uA Sot23-3
5, PW6206 4.5V~ 40V 3V,3.3V,5V 150MA 4.2uA Sot23/89
6, PW8600 4.5V~ 80V 3V,3.3V,5V 150MA 2 uA Sot23-3
2, DC-DC降压 IC
DC-DC的选择比较多:
1, PW2162 最大电流 2A
2, PW2162 最大电流 3A
3, PW2312 最大电流 1.2A
4, PW2205 最大电流 5A
5, PW2330,最大电流 3A等等
| 联系人: | 郑先生(夸克微科技,不是夸克浏览器的) |
|---|---|
| 电话: | 13528458039 |
| Email: | zqf@kkmicro.com |
| QQ: | 2867714804 |
| 微信: | 13528458039 |
| 地址: | 深圳市福田区赛格广场24楼2401A |




