CN5136现货,如韵,技术支援
- 2020-11-09 11:42:00
- admin 原创
- 1177
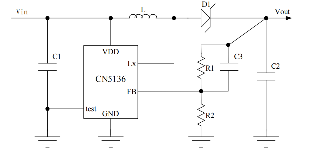
CN5136是一款高效率的脉冲频率调制型(PFM)DC-DC转换器,最大输出电流能力可以达到500mA。CN5136内部集成有功率晶体管,大大减少了外部元器件的数目。其它功能包括最大电感电流限制,软启动电路等。CN5136的输出电压可以通过外部电阻设置。片内高精度的电压基准源保证了输出电压的精度和低温度漂移。CN5136的工作电压范围在2.7V到6V,非常适合锂电池和3节镍氢电池供电的应用。CN5136采用5管脚SOT23封装。
应用:
电脑周边产品等
工作电压范围:2.7V 到 6V
芯片内部集成有功率晶体管
输出电压可以通过外部电阻设置
输出电压精度:±2%
工作的环境温度范围:-40℃到 85℃
无铅
联系人: 郑先生
电话: 13528458039
Email: zqf@kkmicro.com
QQ: 2867714804
微信: 13528458039
地址: 深圳市南山区蛇口街道渔一社区后海大道1021号BC座B303A16
| 联系人: | 郑先生(夸克微科技,不是夸克浏览器的) |
|---|---|
| 电话: | 13528458039 |
| Email: | zqf@kkmicro.com |
| QQ: | 2867714804 |
| 微信: | 13528458039 |
| 地址: | 深圳市福田区赛格广场24楼2401A |

