PAM8403百盛,技术支持,现货
- 2020-11-09 15:42:00
- admin 原创
- 1221
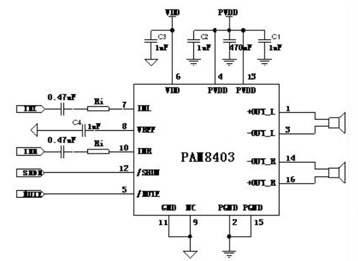
PAM8403是一颗输出功率为3瓦特的D类音频功率放大器IC,它具有谐波失真低,噪声串扰小的特点使其对声音的重放得到较好的音质。采用新型无耦合输出及无低通滤波电路之架构,使其可直接驱动喇叭降低了整个方案成本及PCB空间的占用。在相同的外围元器件个数下,D类功放IC PAM8403比甲类功放的效率要好得多,这样就延长了电池的续航力,是携便式设备(如笔记本电脑等)的理想选择。PAM8403采用SOP-16封装。
特性
低THD,低噪声
短路电流保护
热保护
应用
手机/免提电话
联系人: 郑先生
电话: 13528458039
Email: zqf@kkmicro.com
QQ: 2867714804
微信: 13528458039
地址: 深圳市南山区蛇口街道渔一社区后海大道1021号BC座B303A16
| 联系人: | 郑先生(夸克微科技,不是夸克浏览器的) |
|---|---|
| 电话: | 13528458039 |
| Email: | zqf@kkmicro.com |
| QQ: | 2867714804 |
| 微信: | 13528458039 |
| 地址: | 深圳市福田区赛格广场24楼2401A |

