1.8V升3V芯片,1.8V升3.3V升压芯片方案
- 2020-12-04 16:12:00
- admin 原创
- 1182
两节干电池由于耗电量电压会降低,无法长期稳定的输出3V 或者 3.3V 供电,直接两节干电池会供电电压不稳,影响后面电路稳定。 两节干电池的供电电压在1.8V-3.2V 左右
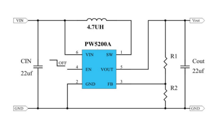
1.8 V 升3 V 升压芯片方案,
如PW5200A ,可调输出电压版本,2.5V-5V 之间输出电压,输入电压是在1V-4.4V 的范围。输出电流最大500MA.
1.8 V 升3. 3V 升压芯片方案,
如PW5100, 固定输出3V,3.3V ,输入电压范围0.7V-5V ,输出电流最大是500MA ,输入静态功耗是10uA
.
品牌代理商:深圳市夸克微科技
郑生: 13528458039
QQ : 2867714804
| 联系人: | 郑先生(夸克微科技,不是夸克浏览器的) |
|---|---|
| 电话: | 13528458039 |
| Email: | zqf@kkmicro.com |
| QQ: | 2867714804 |
| 微信: | 13528458039 |
| 地址: | 深圳市福田区赛格广场24楼2401A |


