2.4V升3.3V,2.4V升3V,1A大电流升压芯片
- 2020-12-04 16:15:00
- admin 原创
- 1272
两节镍氢电池串联就是1.2V+1.2V=2.4V 的供电电压了,2.4V 升3V, 2.4V 升3.3V 的话,就能稳压稳定给模块供电了,镍氢电池是会随着使用的电池电量减少的话,电池的电压也是跟着变化的,导致2.4V不能稳定输出,给后面电路照成电池能量浪费的同时,和电路板工作的不稳定。
PW5100 是0.7V-5V 输入的,低功耗10uA ,输出电流可达500-600MA 的低功耗升压IC ,效率可到93%。
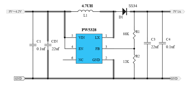
PW5328B 是2V-24V 输入的异步升压芯片,输出电流可达1A-2A等。
PW5328B 具有在轻负载下自动切换到脉冲频率调制模式的特点。 PW5328B 包括欠压锁定、电流限制和热过载保护防止输出过载时损坏。 PW5328B 提供小型 6 针 SOT-23 封装。
品牌代理商:深圳市夸克微科技
郑生: 13528458039
QQ : 2867714804
| 联系人: | 郑先生(夸克微科技,不是夸克浏览器的) |
|---|---|
| 电话: | 13528458039 |
| Email: | zqf@kkmicro.com |
| QQ: | 2867714804 |
| 微信: | 13528458039 |
| 地址: | 深圳市福田区赛格广场24楼2401A |


