2V升5V的升压芯片,两款芯片电路图
- 2020-12-04 16:19:00
- admin 原创
- 1288
2V 的输入电压,是可以用来做5V 输出的升压电路,但是2V 的供电设备很少,不知道还有什么东西是2V 电压的,还需要升压到5V的电路系统。
两款2V 升5V的芯片电路图:
第1, PW5100 升压芯片,输出电流可达500MA 。高效率,低功耗10uA的。PW5100 外围简洁,仅需要2个贴片电容,一个贴片电感(1uh-4.7uh)即可
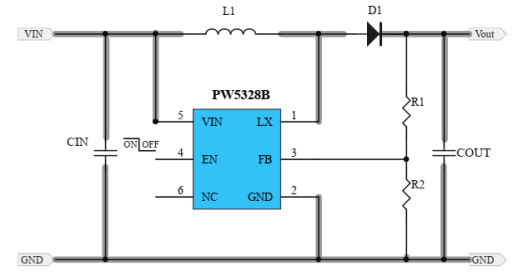
第2,PW5328B升压芯片,输出电流可达1A ,异步升压,带肖特基二极管,输入电压范围很宽2V-24V之间。
品牌代理商:深圳市夸克微科技
郑生: 13528458039
QQ : 2867714804
| 联系人: | 郑先生(夸克微科技,不是夸克浏览器的) |
|---|---|
| 电话: | 13528458039 |
| Email: | zqf@kkmicro.com |
| QQ: | 2867714804 |
| 微信: | 13528458039 |
| 地址: | 深圳市福田区赛格广场24楼2401A |


