干电池升压IC
- 2020-12-08 10:36:00
- admin 原创
- 2255
1, 干电池升压I C 升压输出3 V,3,3V,5V 等3 V-5V 可调
2, 单节锂电池升压I C 升压输出4.2 V -15 V 可调
3, 单节锂电池充电I C 输入4.5 V-20V ,充电电流3 MA- 30 00 m A
4, 单节锂电池保护 IC 保护板
5, 双节锂电池升压I C 升压输出6 V-20V
6, 双节锂电池充电I C 输入4.5 V-20V ,充电电流20 00 m A
7, 双节锂电池降压I C 降压输出1 V- 6 V 可调
8, 双节锂电池保护I C 保护板
9, 三节锂电池升压I C 升压13-30 V
10,三节锂电池充电I C 输入4.5 V-20V ,充电电流20 00Ma
11 ,三节锂电池降压I C 降压输出1.2 V-9V
1 2 ,三节锂电池保护I C 保护板
1, 干电池升压I C :
PW5100 是一款低静态电流、高效率、 PFM 模式控制的同步升压变换器。 PW5100 所需的外部元件非常少,只需要一个电感和输入、输出电容就可以提供 3.0V~5.0V 的稳定的低噪声输出电压。 芯片内部包括输出电压反馈和修正网络、纹波补偿电路、启动电路、振荡电路、参考电压电路、PFM 控制电路、过流保护电路、同步管控制以及功率管等。
产品特点
最大效率可达: 95%
最高工作频率: 1.2MHz
宽输入电压范围: 0.7V~ 5.0V
输入静态电流: 10uA
输出电压固定 可选: 3.0V , 3.3V, 5.0V
输出电压精度: ±2.5%
低纹波,低噪声: ±10mV@Io=50mA
输入开关电流: 1.5A
2 , 单节的 锂电池保护电路:
即锂电池保护板,有的锂电池厂家出厂就自带了保护板了(大部分是默认没带保护板),有的锂电池没,就需要锂电池保护IC 了。常用锂电池保护 IC 如:
DW01B , 特点:外置 MOS ( 8205A6 或者 8205A8 ),由于是外置 MOS ,过充电电流和过放电电流可通过 很 多 个MOS 并联 来提高,这是最常见的,采用SOT23-6 封装。
PW3130 ,特点:内置 MOS ,电路简单, 过充电电流和过放电电流是 3A ,适合功率不大电子产品,采用 SOT23-5 封装。
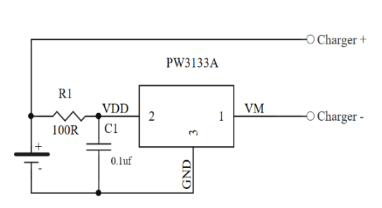
PW3133A ,特点:内置 MOS ,电路简单,在 PW3130 的基础上再简洁了芯片体积,采用 SOT23-3 封装。
DW01B 和 PW3130,PW3133A 的电路图如下:
PW3130
和P
W3133A
是相当于内置了D
W01B
和一个3.5
A
过流的开关M
OS
。
3 , 单节 锂电池充电电路:
3-1 , PW4054 ,特点: 500MA 充电电流, 5V USB 输入最常用的锂电池充电 IC ,采用 SOT23-5 封装;
3-2 , PW4056 ,特点: 1A 充电电流, 5V USB 输入也是属于常用的锂电池充电 IC ,采用 SOP8 封装;
3-3 , PW4203 ,特点: 5V,9V,12V,15V ,20V 兼容高低压输入的锂电池充电 IC ,采用 SOP8 封装。
3-4 ,PW4065 ,特点:500MA 充电电流, 5V USB 输入反接保护,电池反接保护 ,采用SOT23-5 封装; PIN 对PIN PW4054
3-4 , PW4052 ,特点:2500MA充电电流,5V USB 输入也是属于常用的锂电池充电 IC ,采用 SOP8 封装;
4 ,锂电池输出电路
4 -1 ,锂电池自身供电电压 是3V-4.2V 之间,锂电池直接供电,电路就是直接接供电。
4 -2 ,锂电池升压输出电路 :
PW5100 ,锂电池升压 5V 输出,输出电流在 600MA ,外围最简单;
PW5300 ,锂电池升压 4.5V ~ 10V ,输出功率 6W ( 6W/ 电压 = 电流)
PW5328B ,锂电池升压 4.5V ~ 20V 。(注:型号众多,不能一一列举 )
PW2224 ,锂电池升降压3.3V(可调输出),输出电流2A。升降压电路的;
PW5600,锂电池升压5V,9V,12V ,输出电路,3A,2A,1.5A的
PW5400 ,锂电池升压5V2A(可调输出)的输出电路。
4 -3 ,锂电池降压输出电路:
PW6566 , LDO ,输出 3V,2.8V,2.5V,1.8V,1.5V,1.2V ,电流最大 250MA 。
PW2058 ,DC-DC 降压,电流最大0.8A
PW2051 , DC-DC 降压,电流最大 1A
PW2052 , DC-DC 降压,电流最大 2A
PW2053,DC-DC 降压,电流最大3A (注:型号众多,需要其他功能,请联系我们)
4-4 单节 锂电池保护电路+ 锂电池充电电路 + 锂电池输出电路原理图:
5 两节锂电池保护电路
5-1,H Y2 120,两节锂电池保护电路,
5-2,P L7022 ,两节锂电池保护电路。
6两节锂电池充电电路
6-1,PL7501C ,输入5V ,升压给两节锂电池充电,1A最大;
6-2,PW4203 ,输入9V-20V ,降压给两节锂电池充电,2A最大。
7两节锂电池输出电路
7-1,PW2312,两节锂电池降压稳压到1.2V,3.3V,5V,6V 等,最大1A
7-2,PW2162 ,两节锂电池降压稳压到1.2V,3.3V,5V,6V 等,最大2A
7-3,PW2163,两节锂电池降压稳压到1.2V,3.3V,5V,6V 等,最大3A
7-4,PW2205,两节锂电池降压稳压到1.2V,3.3V,5V,6V 等,最大5A
7-5,PW6218 ,两节锂电池降压3V ,3.3V ,5V 的 LDO 芯片,输入最大18V
7-6,PW6206 ,两节锂电池降压3V ,3.3V ,5V 的 LDO 芯片,输入最大40V
7-7 ,PW5328B ,两节锂电池升压到9V,12V,15V 等,输出功率8W左右
7-8,PW5600 ,两节锂电池升压到9V,12V,15V ,输出电流2-3A
8,三节锂电池保护电路
8-1,S -8254
8-2,C W1233
9,三节锂电池充电电路
9-1,PW4053,输入5V ,升压给三节锂电池充电,最大1.2A;
9-2,PW4203 ,输入15V-20V ,降压给三节锂电池充电,最大2A。
10,三节锂电池输出电路
10-1,PW6206,LDO 芯片,输入最大到40V ,输出3V,3.3V,5V
10-2 ,PW6218 ,LDO芯片,输入最大到18V ,输出3V,3.3V,5V
10-3 ,PW2162 ,两节锂电池降压稳压到1.2V,3.3V,5V,6V,9V 等,最大2A
10-4 ,PW2163,两节锂电池降压稳压到1.2V,3.3V,5V,6V,9V 等,最大3A
10-5 ,PW2205,两节锂电池降压稳压到1.2V,3.3V,5V,6V,9V 等,最大5A
10-6,PW5600,两节锂电池升压到15V ,输出电流2-3A
代理商:深圳市夸克微科技
郑生: 13528458039
QQ : 2867714804
| 联系人: | 郑先生(夸克微科技,不是夸克浏览器的) |
|---|---|
| 电话: | 13528458039 |
| Email: | zqf@kkmicro.com |
| QQ: | 2867714804 |
| 微信: | 13528458039 |
| 地址: | 深圳市福田区赛格广场24楼2401A |


























