30V降压5V芯片,平芯微PW2312中文规格书
- 2021-03-06 13:14:00
 - admin 原创
 - 1732
 
4V-30V 输入, 1.2A 输出, 同步降压调节器 PW2312
                    
                  
一般说明
                    
                    PW2312 
                    是一个高频,同步,整流,降压,开关模式转换器内部功率 
                    MOSFET
                    
                    。
                    它提供了一个非常紧凑的解决方案,以实现 
                    1.5A 
                    
                    的峰值输出电流在广泛的输入
                    电源范围内,具有优良的负载和线路调节 
                    PW2312 
                    
                    需要最少数量的现成外部组
                    件,可在节省空间的 
                    SOT23-6 
                    包。 
                    
                  
                    
                    
                    特征 
                    ⚫
                    宽 
                    4V 
                    至 
                    30V 
                    
                    工作输入范围
                    ⚫ 
                    1.2A 
                    
                    连续输出电流
                    ⚫ 
                    1.4MHz 
                    
                    开关频率
                    ⚫ 
                    
                    短路保护模式
                    ⚫ 
                    
                    内置过流限制
                    ⚫ 
                    内置过电压保护      
                  
⚫ 模式 PWM
⚫ 内部软启动
                    
                    ⚫ 
                    200m
                    Ω 
                    /150m
                    Ω低 
                    RDS
                    (
                    ON
                    
                    )内部功率金氧半晶体
                    ⚫ 
                    
                    不需要肖特基二极管
                    ⚫ 
                    
                    综合内部补偿
                    
                    ⚫ 
                    
                    热关机
                    ⚫ 
                    提供 
                    SOT23-6 
                    
                    套装
                    ⚫ 
                    -40
                    ° 
                    C 
                    至
                    +85
                    ° 
                    C 
                    温度范围 
                  
                    
                  
应用
                    
                    ⚫ 
                    
                    闭路电视摄像机
                    ⚫ 
                    
                    平板电视和显示器
                    ⚫ 
                    
                    电池充电器
                    ⚫ 
                    分布式电力系统 
                    
                    
                    
                    
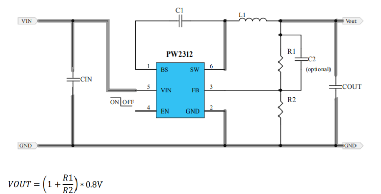
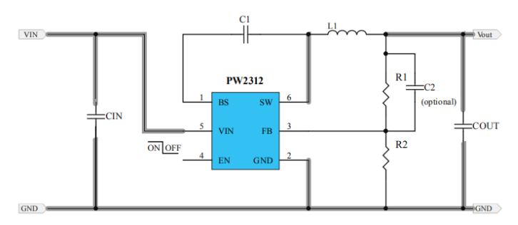
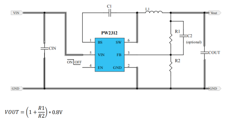
                    典型应用电路 
                  
                    
                  
                    CIN 
                    推荐 
                    47-100uF 
                    同时并联 
                    0.1uF
                    
                    , 输入电压低时贴片电容,输入高时要电解电容
                    COUT 
                    建议 
                    22uF 
                    两个并联, 
                    L1 
                    推荐 
                    2.2-4.7UH
                    , 
                    C2 
                    一般是 
                    22pF
                    
                    ,可调
                    输入电压低时, 
                    EN 
                    可直接接 
                    VIN
                    ,输入电压高时,一般串个电阻再接 
                    VIN
                    。 
                  
                    
                  
                    
                    引脚分配
                    
                    /
                    
                    说明 
                    
                  
                    
                  
                    
                  
                    
                  
绝对最大额定值(注 1/2 )
                    
                    
                  
                    
                    注:
                    (
                    1
                    
                    ) 超过这些额定值可能会损坏设备。
                    (
                    2
                    ) 不能保证设备在其工作条件外正常工作。 
                  
                    
                  
功能描述
                    PW2312 
                    是一种电流模式降压型 
                    DC/DC 
                    
                    转换器,可提供优良的瞬态特性响应没有额外的外部
                    补偿组件。此设备包含内部低电阻,高压功率 
                    MOSFET
                    ,并在高 
                    1.4MHz 
                    
                    工作频率下工作
                    确保紧凑、高效的设计,具有出色的交直流性能。
                  
                    
                    
                  
误差放大器
                    
                    
                    误差放大器将 
                    FB 
                    引脚电压与内部 
                    FB 
                    基准(
                    VFB
                    )进行比较,并输出 
                    a 
                    
                    电流与两者之差成正
                    比。该输出电流随后用于充电或放电内部补偿网络,这是用来控制功率 
                    MOSFET 
                    
                    电流。优化
                    后的内部补偿网络使外部元件的数量和简化了控制回路设计。 
                  
                    
                    
                  
内部软启动
                    
                    
                    软启动是为了防止变频器
                    输出
                    电压在启动。当芯片启动时,内部电路产生一个软启动电压
                    (
                    SS
                    )上升从 
                    0V 
                    到 
                    0.807V
                    。当低于内部参考(
                    REF
                    )时, 
                    SS 
                    覆盖 
                    REF
                    ,因此错误发生放大器
以 
                    SS 
                    为基准。当 
                    SS 
                    高于 
                    REF 
                    时, 
                    REF 
                    恢复控制。时间就是时间内部最大为 
                    1.2ms
                    。 
                  
                    
                    
                  
过电流保护和短路
                    
                    
                    当电感器电流峰值超过设置电流限制阈值。同时,输出电压开始下降,直到 
                    FB 
                    低于欠电压
(
                    UV
                    )阈值,通常低于参考
                    值 
                    25%
                    。一旦一个紫外线被触发,就会进入打嗝模式以定期重
新启动部件。当输出为对地完全短路。平均短路电流大大降低,以减轻热并保护监管者。一
                    旦过电流情况出现,则退出 
                    hiccup 
                    模式远离的。 
                    
                  
                    
                    
                    
                    启动和关闭 
                    如果 
                    VIN 
                    和 
                    EN 
                    都高于相应的阈值,则芯片启动。对比试块首先启动,产生稳定的参考电压
和电流,然后内部调节器启用。
                    调节器为其余电路提供稳定的电源。三个事件可以结束芯片
                  
                    
                    
                    下降: 
                    EN 
                    低, 
                    VIN 
                    低和热关机。在关闭程序中,信号首先阻塞路径以避免任何故障触发。
补偿电压和内部供电轨是然后拉下来。浮动驱动器不受此关闭命令的约束。
                  
                    
                    
                  
                    
                     
                    
                    应用信息 
                    
                    
                    设置输出电压
                    PW2312 
                    
                    需要一个输入电容器、一个输出电容器和一个电感器。这些组件是对设备性能至关
                    重要。 
                    PW2312 
                    
                    为内部补偿,不需要外部元件实现稳定运行。输出电压可由电阻器编程分隔
                    线。 
                  
                    
                  
                    
                  
选择感应器
                    
                    
                    推荐的电感器值如应用图所示。重要的是保证电感器铁芯在任何可预见的操作情况下不会饱
和。这个电感器应额定处理峰值负载电流加上纹波电流:应小心当检查不同
                    的饱和电流额定
                    值时制造商。饱和电流额定值通常规定为 
                    25
                    ° 
                    C
                    ,因此额定值为最大值应用环境温度应向制
造商索取。 
                  
                    
                    
                    
                  
                    
                    
                    式中,Δ 
                    IL 
                    
                    是电感器纹波电流。选择电感器纹波电流约为 
                    30%
                    ,如果最大负载电流。最大电
感器峰值电流为: 
                    
                  
                    
                    
                    在 
                    100mA 
                    以下的轻
                    载条件下,建议采用较大的电感改善效率。 
                    
                  
选择输出电容器
                    
                    
                    在选择这些部件时应特别注意。这些电容器的直流偏压可能导致电容值低于建议的最小值电
容器规格表。陶瓷电容器的实际电容随温度而变化。在
                    -
                    55
                    ° 
                    C 
                    至
                    +125
                    ° 
                    C 
                    的温度范围内工
作的 
                    X7R 
                    型电容器仅
                    使电容变化在±
                    15%
                    范围内。 
                    X5R 
                    型电容器的公差与温度范围为
                    -
                    55
                    ° 
                    C
                    至
                    +85
                    ° 
                    C
                    。许多大于 
                    1uF 
                    的大值陶瓷电容器采用 
                    Z5U 
                    或 
                    Y5V 
                    温度特性制造。他们的电容会
下降超过 
                    50%
                    ,因为温度在 
                    25
                    ° 
                    C 
                    到 
                    85
                    ° 
                    C 
                    之间变化。因此建议在 
                    Z5U 
                    上使用 
                    X5R 
                    或 
                    X7R
                    在环境温度显著高于或低于环境温度变化的应用中 
                    25 
                    摄氏度。钽电容器不如陶瓷电容器作
为输出电容器,因为它们是当比较 
                    0.47uF 
                    到 
                    44uF 
                    的等效电容和电压额定值时,更昂贵范围。
另一个重要的考虑因素是钽电容器的 
                    ESR 
                    值比等效尺寸陶瓷。这意味着,虽然有可能找到一 
                    个钽电容器一个 
                    ESR 
                    值在稳定范围内,它必须在电容上更大(这意味着更大更昂贵)比相同
                    ESR 
                    值的陶瓷电容器。还应注意的是当温度从 
                    25
                    ° 
                    C 
                    降至
                    -
                    40
                    ° 
                    C 
                    时,典型钽的 
                    ESR 
                    将增加
约 
                    2:1 
                    所以
                    必须允许一些保安带。 
                    
                    
                    
                  
                    
                    
                    
                    
                    
                    
                    
                  
                    
                  
                    
                    
                    
                  
| 联系人: | 郑先生(夸克微科技,不是夸克浏览器的) | 
|---|---|
| 电话: | 13528458039 | 
| Email: | zqf@kkmicro.com | 
| QQ: | 2867714804 | 
| 微信: | 13528458039 | 
| 地址: | 深圳市福田区赛格广场24楼2401A | 









