FP7721芯片最新中文规格书
- 2021-03-06 13:50:00
 - admin 原创
 - 1919
 
说明
                    
                    FP7721 
                    是一种集成电源解决方案适用于中小型薄膜晶体管(
                    TFT
                    )液晶显示器
(
                    LCD
                    )主要用于智能手机和平板电脑液晶面板的驱动芯片。正电荷泵有一个内部开关
典型可支持高达 
                    50mA 
                    的输出电流。负电荷泵有一个内部开关生成
                    -1 
                    的 
                    VSN 
                    比率,可
以支持输出电流高达 
                    50 
                    毫安。。 
                    FP7721 
                    有 
                    2.4x1.5 mm 
                    薄 
                    12 
                    针 
                    TDFN 
                    绿色包装。 
                    
                  
                    
                    特征
                    ⚫ 
                    2.5V 至 
                    4.8V 输入电源
                    ⚫ 产生两个输出电压,正电压(
                    VSP)和 
                    VSN 的
                    -1 比率
                    ⚫ 只有 
                    5 个外部电容器
                    ⚫ 
                    TDFN-12(
                    2.4 mm x 1.5 mm)外露衬垫包裹 
                    
                  
                    
                    应用
                    ⚫ 智能手机和平板电脑液晶面板的 
                    TFT LCD IC 驱动器 
                    
                  
                    
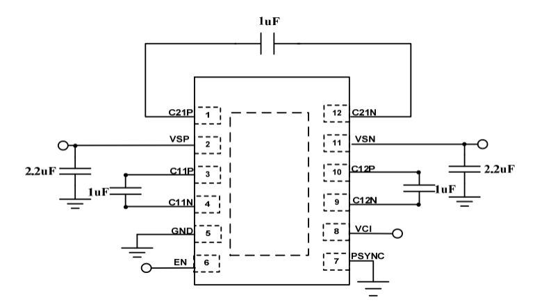
                    典型电路图 
                    
                  
                    
                    引脚分配 
                    
                  
                    
                    功能引脚说明 
                    
                  
                    
                  
| 联系人: | 郑先生(夸克微科技,不是夸克浏览器的) | 
|---|---|
| 电话: | 13528458039 | 
| Email: | zqf@kkmicro.com | 
| QQ: | 2867714804 | 
| 微信: | 13528458039 | 
| 地址: | 深圳市福田区赛格广场24楼2401A | 



