PW2205低功耗规格书,24V降压5V,3.3V电流5安培
- 2021-03-08 09:34:00
- admin 原创
- 3425
PW2205 开发了一种高效率的同步降压 DC-DC 转换器 5A 输出电流。 PW2205 在 4.5V 到 30V
的宽输入电压范围内工作集成主开关和同步开关,具有非常低的 RDS( ON)以最小化传导
损失。 PW2205 采用瞬时脉宽调制( PWM)结构,实现高阶跃降的快速瞬态响应轻载时的应
用和高效率。此外,它的工作频率是伪恒定的在连续导通模式下为 500kHz,以使电感器和
电容器的尺寸最小
特征
⚫ 内部整流
MOS 的低
RDS(
on)(顶部
/
底部):
70/40 mΩ
⚫
4.5V-30V 输入电压范围
⚫ 瞬时
PWM 架构实现快速瞬态响应
⚫ 外部软启动限制涌入电流
⚫ 恒频:
500kHz at 重载
⚫
5A 连续,
6A 峰值负载电流能力
⚫
1.5%0.6V 参考电压
⚫ 输出过电流限制
⚫ 输出短路保护当前折回
⚫ 热关机和自动恢复
⚫ 符合
RoHS 标准且无卤素
⚫ 包装:
SOP8-EP
应用
⚫ 液晶电视
⚫ 大功率
AP 路由器
⚫ 网络
⚫ 机顶盒
⚫ 笔记本
⚫ 保管部
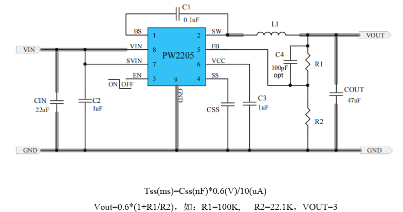
典型应用电路
引脚分配
/
说明
布局设计:
PW2205 调节器的布置设计为相对简单。为了获得最佳的效率和最小噪声问题,我们应该把
IC 的以下成分:
CIN,
C3 L1,
R1 和
R2。
1. 希望
PCB 铜最大化连接到
GND 引脚以
实现最佳的热性能和噪音性能。如果板
空间允许,地平面高度令人满意。
2. CIN 必须接近
VIN 和
GND 引脚。这个
CIN 和
GND 形成的环路面积必须最小
化。
3. 与
SW 引脚相关联的
PCB 铜区必须最小
化以避免潜在的噪音问题。
4. 成分
R1 和
R2,以及轨迹连接到
FB 引
脚不得在
PCB 布局上靠近
SW 网络避免
噪音问题。
5. 如果系统芯片与
EN 引脚接口在关机时
有高阻抗状态模式和
IN 引脚直接连接
到像锂离子电池这样的电源需要增加
一个下拉式
1
欧姆电阻器在
EN
和
GND
引脚之间,以防止错误开启调节器时发
出的噪音关机模式。
电气特性
概述
PW2205 是一款集成了
PWM 控制的同步降压调节器集成电路在同一个芯片上进行开关,以
使开关转换损耗和传导损耗最小化。带着
ultra 低
Rds(
on)功率开关和专有的
PWM 控制,
这种调节器
IC 可以达到最高效率和最高开关频率同时最小化外部电感和电容器尺寸,从而
实现最小的解决方案占地面积。
PW2205 提供保护循环限流和热关机保护等功能。
PW2205
将感应故障保护的输出电压条件。
应用信息
由于
PW2205 集成电路的高集成度,基于该调节器的应用电路
IC 相当简单。只有输入电容
CIN,输出电容
COUT,输出电感
L 和反馈电阻器(
R1 和
R2)需要为目标应用规范选择。
反馈电阻分压器
R1
和
R2
选择
R1 和
R2 编程正确的输出电压。使功率最小化轻负荷下的消耗,
R1 和
R2 的电阻值宜选
择较大。强烈建议两个电阻器的值在
10kΩ 和
1MΩ 之间。如果电压为
3.3V,取
R1=100k,用
下式计算
R2 为
22.1k:
输入电容
CIN
:
通过输入电容器的纹波电流计算如下:
为了减少潜在的噪音问题,放置一个典型的
X5R
或更高等级的陶瓷电容器非常接近
VIN
和
GND
引脚。应注意尽量减少回路面积由
CIN
和
VIN/GND
引脚组成。在这种情况下,建议使
用
10uF
低
ESR
陶瓷电容器。
内部模拟电路由
SVIN
供电。为了避免噪音问题,
1uF
陶瓷建议使用
SVIN
与
GND
紧密连接的
电容器。也可以添加
RC
过滤器从电源输入到
SVIN
。
输出电容器:
选择输出电容器来处理输出纹波噪声要求。两者都很稳定在选择这一点时,必须考虑状态波
动和瞬态要求电容器。为了获得最佳性能,建议使用
X5R 或更高等级的陶瓷电容器大于
47uF
电容。
输出电感器
L
:
在选择这个电感器时有几个考虑因素。
1)
选择电感以提供所需的纹波电流。建议选择纹波电流约为最大输出电流的
40%
。计算了
电感作为:
其中
Fsw
是开关频率,
IOUT
是最大负载电流。
PW2205
调节器集成电路对不同的纹波电流幅
值具有很强的耐受性。因此,最终选择的电感值可以稍微偏离计算值而不显著影响性能。
2)
电感器的饱和电流额定值必须选择大于峰值满负荷条件下的电感器电流。
3)
电感器的
DCR
和开关频率下的铁心损耗必须足够低达到预期的效率要求。最好选择带
有
DCR<10mΩ
,整体效率高。
软启动
将电容器从软启动编程引脚接地,以编程软启动时间。
启用操作
<1.2V 拉低引脚将关闭设备。在停机模式下,
PW2205 关断电流降至
5uA 以下。驱动
EN 引脚
高电平(
>1.3V)将打开
IC 再一次。
外部自举电容器
该电容器为内部高压侧
MOSEFET 提供栅极驱动电压。
100nF 低建议在
BS 引脚和
SW 引脚之
间连接
ESR 陶瓷电容器。
VCC LDO
3.3V
内部基准。该引脚应通过
luf
陶瓷旁路接地
电容器。此引脚可与
20mA
或更小的外部直流负载一起使用。
负载瞬态考虑:
PW2205 调节器集成了补偿元件以获得良好的稳定性以及快速的瞬态响应。在某些应用中,
与
R1 并联添加
100pF 陶瓷盖可进一步加速负载瞬态响应,因此建议用于大负荷瞬态阶跃要
求。
| 联系人: | 郑先生(夸克微科技,不是夸克浏览器的) |
|---|---|
| 电话: | 13528458039 |
| Email: | zqf@kkmicro.com |
| QQ: | 2867714804 |
| 微信: | 13528458039 |
| 地址: | 深圳市福田区赛格广场24楼2401A |

















