PW2330规格书,12V转5V,3.3V稳压电源芯片,1A-5安
- 2021-03-08 13:16:00
- admin 原创
- 2669
PW2330 开发了一种高效率的同步降压 DC-DC 变换器 3A 输出电流。 PW2330 在 4.5V 到 30V
的宽输入电压范围内工作集成主开关和同步开关,具有非常低的 RDS( ON)以最小化传导
损失。 PW2330 采用专有的瞬时 PWM 结构,实现快速瞬态响应适用于高降压应用和轻负载
下的高效率。此外,它在在连续传导模式下的 500kHz 伪恒定频率,以最小化电感器和电容
器。
特征
⚫ 内部整流
MOS 的低
RDS(
on)(顶部
/
底部):
90/60 mΩ
⚫
4.5-30V 输入电压范围
⚫ 瞬时
PWM 架构实现快速
⚫ 瞬态响应
⚫ 外部软启动限制涌入电流
⚫ 恒频:
500kHz
⚫
3A
连续负载电流能力
⚫
输出过电流限制
⚫
输出短路保护当前折回
⚫
热关机和自动恢复
⚫
符合
RoHS
标准且无卤素
⚫
紧凑型包装:
SOP8-EP
应用
⚫ 液晶显示器
⚫ 液晶电视
⚫ 机顶盒
⚫ 北美
⚫
大功率
AP
路由器
⚫
液晶显示器
⚫
DVR/NVR
⚫
笔记本
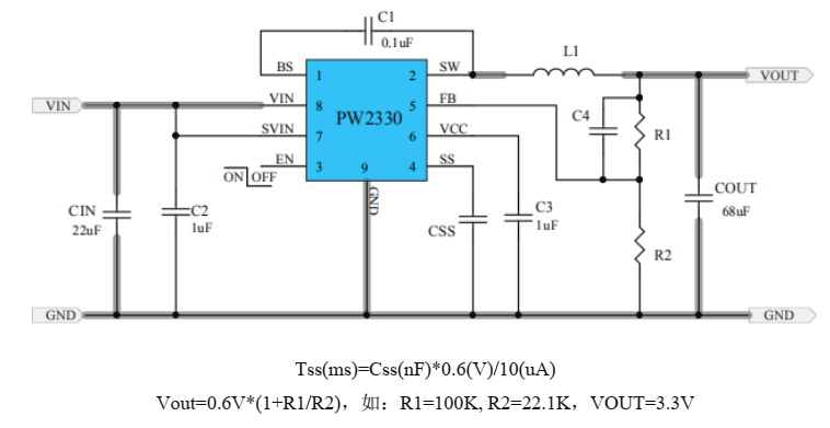
典型应用电路
PIN
分配
/
说明
布局设计:
PW2330 调节器的布置设计为相对简单。为了获得最佳的效率和最小噪声问题,我们应该把
IC 的以下组件:
CIN,
C3 L1、
R1 和
R2。
1.
最好将
PCB
铜最大化连接到
GND
引脚
以实现最佳的热性能和噪音性能。如果
板空间允许,地平面非常令人满意。
2. CIN
必须接近
VIN
和
GND
引脚。这个
CIN
和
GND
形成的环路面积必须最小
化。
3.
与
SW
相关的
PCB
铜板面积引脚必须最
小化,以避免潜在噪音问题。
4.
成分
R1
和
R2
,以及轨迹连接到
FB
引
脚不得靠近
PCB
布局上的
SW
网络为了
避免噪音问题。
5.
如果系统芯片与
EN
接口引脚在关机模
式,
IN
引脚为直接连接到电源作为锂离
子电池,最好添加下拉
EN
之间的
1
欧
姆电阻器和
GND
引脚,以防止噪音错
误地打开调节器关机模式
电气特性
概述
PW2330 是一款集成了
PWM 控制的同步降压调节器集成电路在同一个芯片上进行开关,以
使开关转换损耗和传导损耗最小化。带着
ultra 低
Rds(
on)功率开关和专有的
PWM 控制,
这种调节器
IC 可以达到最高效率和最高开关频率同时最小化外部电感和电容器尺寸,从而
实现最小的解决方案占地面积。
PW2330 提供保护循环限流和热关机保护等功能。
PW2330
将感测故障保护的输出电压条件。
反馈电阻分压器
R1
和
R2
选择
R1 和
R2 编程正确的输出电压。降低功耗在轻负荷下,
R1 和
R2 的电阻值宜选择较大。
价值强烈建议两个电阻器的电阻在
10kΩ和
1MΩ之间。如果
Vout 为
3.3V,
R1=100k 为选择,
然后使用以下方程式,
R2 可计算为
22.1k:
启用操作
<1.2V 拉低引脚将关闭设备。在停机模式下,
PW2330 关机电流降至
5uA 以下,驱动
EN 引脚
高电平(
>1.3V)将再次开启
IC。
外部自举电容器
该电容器为内部高压侧
MOSEFET 提供栅极驱动电压。
100nF 低
ESR 建议在
BS 开关和电容器
引脚之间连接陶瓷引脚。
VCC LDO
3.3V LDO
用于内部模拟电路和驱动电路。用
1uF
将该引脚绕过接地陶瓷电容器。
VCC LDO
能
够提供
20mA
电流。
软启动
将电容器从软启动编程引脚接地,以编程软启动时间。
负载瞬态考虑
PW2330 调节器芯片采用瞬时
PWM 结构,稳定性好,速度快瞬态响应。在高阶跃负载电流
的应用中,添加
RC 网络
RFF 和
C4 与
R1 并联可以进一步加速负载瞬态响应。
输入电容
CIN
:
为了减少潜在的噪音问题,放置一个典型的
X5R
或更高等级的陶瓷电容器非常接近
VIN
和
GND
引脚。应注意尽量减少
CIN
和
VIN/GND
引脚。在这种情况下,建议使用
10uF
低
ESR
陶
瓷电容器。 内部模拟电路由
SVIN
供电。为了避免噪音问题,
1uF
陶瓷电容器建议
SVIN
与
GND
紧密连接。
RC
滤波器也可以从电源中添加输入
SVIN
。
输出电容器:
选择输出电容器来处理输出纹波噪声要求。两种稳态选择此电容器时,必须考虑纹波和瞬态
要求。为了获得最佳性能,建议使用
X5R 或更高等级的陶瓷电容器大于
47uF 电容。
输出电感器
L
:
在选择这个电感器时有几个考虑因素。
1.
选择电感以提供所需的纹波电流。建议选择纹波电流约为最大输出电流的
40%
。电感计
算如下:
其中
Fsw
是开关频率,
IOUT
是最大负载电流。
PW2330
调节器集成电路对不同的纹波电流幅
值具有很强的耐受性。因此电感的最终选择可以稍微偏离计算值,而不会显著影响性能。
2.
电感器的饱和电流额定值必须选择大于峰值满负荷条件下的电感器电流。
3.
电感器的
DCR
和开关频率下的铁心损耗必须足够低达到预期的效率要求。最好选择带
有
DCR<10mΩ
,整体效率高。
| 联系人: | 郑先生(夸克微科技,不是夸克浏览器的) |
|---|---|
| 电话: | 13528458039 |
| Email: | zqf@kkmicro.com |
| QQ: | 2867714804 |
| 微信: | 13528458039 |
| 地址: | 深圳市福田区赛格广场24楼2401A |














