12V转5V降压芯片,12V转3.3V稳压芯片电路图
- 2021-03-08 14:29:00
- admin 原创
- 1999
12V转 5V应用中,大多要求会输出电流高的,稳压 LDO就不能满足了,需要使用 DC-DC降压芯片来持续稳压 5V,输出电流 1000MA, 2000MA, 3000MA, 5000MA等。不同的输出电流可以选择适合的降压芯片来使用。
12V 转 3.3V ,稳压 3.3V 输出,一般用于给 MCU 单片机或者其他特殊重要模块供电等,要求也会比较多和不一样。例如 10MA , 100MA , 1000MA-5000MA 不等。时常小电流的较多,小电流使用 LDO 稳压芯片。
1, LDO稳压芯片
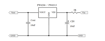
40V 高输入电压 LDO 线性稳压器 , 高输入电压,低静态电流,高速,低压降线性稳压器具有高纹波抑制 .PW6206 , PW6513 。
特点
-
输出电压固定: 3V , 3.3V , 5V
-
输入电压: 4.75V~40V
-
输出精度: <±2%
-
输出电流: 150mA (典型值)
-
电源抑制比: 60dB@100Hz
-
跌落电压: 600mV@IOUT=100mA
-
静态电流: 4.2μA@VIN=12V (典型值)
-
ESD HBM:8KV
-
推荐电容器: 10uF
2 , DC-DC降压芯片 2A-3A
PW2162 是一个完全集成,高效率 2A同步整流降压转换器。 PW2162在宽输出电流负载范围内以高效率运行。此设备提供两种工作模式, PWM控制和 PFM模式开关控制,实现高效率在更宽的负载范围内。 PW2162要求现有的最小数量标准外部组件,并在符合 ROHS标准的 6针 SOT23封装中提供。
特征
效率高达96%
600KHz
频率操作
2A
输出电流
不需要肖特基二极管
4.5V
至16V输入电压范围
0.6V
参考电压
斜坡补偿电流模式控制对于良好的线路和负载瞬态回应
PW2163 是一种高效的 500kHz同步降压 DC-DC转换器,能够输送 3A电流。 PW2163在 4.5V到 18V的宽输入电压范围内工作集成主开关和同步开关,具有非常低的 RDS( ON)以最小化传导损失。输出电压纹波低,外部电感器和电容器的尺寸为 500kHz开关频率。采用瞬时 PW
构,实现快速瞬态响应对于高降压应用 .
内部交换机(顶部 /底部)的低 RDS( on):
80mΩ/40mΩ
4.5-18V 输入电压范围
3A 输出电流能力
500kHz 开关频率
瞬时 PWM架构,实现快速瞬态响应。
逐周期峰值电流限制
内部软启动限制涌入电流
SOT23-6
4V-30V输入, 1.2A输出的同步整流降压器芯片 PW2312.
PW2312是一种电流模式降压型 DC/DC转换器,可提供优良的瞬态特性响应没有额外的外部补偿组件。此设备包含内部低电阻,高压功率 MOSFET,并在高 1.4MHz工作频率下工作确保紧凑、高效的设计,具有出色的交直流性能。
PW2205 开发了一种高效率的同步降压 DC-DC转换器 5A输出电流。 PW2205在 4.5V到 30V的宽输入电压范围内工作集成主开关和同步开关,具有非常低的 RDS( ON)以最小化传导损失。 PW2205采用瞬时脉宽调制( PWM)结构,实现高阶跃降的快速瞬态响应轻载时的应用和高效率。此外,它的工作频率是伪恒定的在连续导通模式下为 500kHz,以使电感器和电容器的尺寸最小。
特征
-
内部整流 MOS的低 RDS( on)(顶部 /底部): 70/40 mΩ
-
4.5V-30V 输入电压范围
-
瞬时 PWM架构实现快速瞬态响应
-
外部软启动限制涌入电流
-
恒频: 500kHz at重载
-
5A 连续, 6A峰值负载电流能力
| 联系人: | 郑先生(夸克微科技,不是夸克浏览器的) |
|---|---|
| 电话: | 13528458039 |
| Email: | zqf@kkmicro.com |
| QQ: | 2867714804 |
| 微信: | 13528458039 |
| 地址: | 深圳市福田区赛格广场24楼2401A |










