锂电池升压芯片,IC电路图资料
- 2021-03-08 16:52:00
- admin 原创
- 5259
锂电池常规的供电电压范围是 3V-4.2V之间,标称电压是 3.7V。锂电池具有宽供电电压范围,需要进行降压或者升压到固定电压值,进行恒压输出,同时根据输出功率的不同,(输出功率 =输出电压乘以输出电流)。不同的输出电流大小,合适很佳的芯片电路也是不同。
1, 锂电池升降压固定 3.3V输出,电流 150MA,外围仅 3个电容
2, 锂电池升压固定 5V输出,外围仅 3个电容
3, 锂电池 DC-DC升降压芯片,输出 1-2A
4, 锂电池升压 5V 600MA, 8uA低功耗
6, 锂电池升压到 5V,8.4V,9V,12V
7, 锂电池升压 5V2A
8, 锂电池升压 5V3A
9, 锂电池充电管理 IC,可实现边充边放电 锂电池稳压LDO,和锂电池DC-DC降压大电流芯片
1,PW5410B是一颗低噪声,恒频 1.2MHZ 的开关电容电压倍增器。 PW5410B 的输入电压范围 1.8V-5V ,输出电压 3.3V 固定电压,输出电流高达 100MA 。外围元件仅需要三个贴片电容即可组成一个升压电路系统。
2,PW5410A是一颗低噪声,恒频 1.2MHZ的开关电容电压倍增器。 PW5410A的输入电压范围 2.7V-5V,输出电压 5V固定电压,输出电流高达 250MA。外围元件仅需要三个贴片电容即可组成一个升压电路系统。
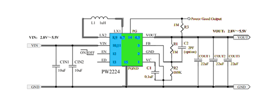
3, PW2224是一种高效率的单电感 Buck-Boost变换器,可以为负载供电电流高达 4A。它提供降压和升压模式之间的自动转换。 PW2224工作频率为 2.4MHz,也可与外部频率从 2.2MHz同步到 2.6MHz。直流 /直流变频器在轻负载下以脉冲跳频方式工作。可以禁用省电模式,强制 PW2224在 FPWM模式下运行。在关机。 PW2224采用 TDFN3X4-14包装。
特征
2.8V~5.5V输入电压运行
可调输出电压从
2.8V
到
5.5V
96%效率
DC/DC
变换器
VIN>3.6V时
3.3V
时的
3A
输出电流
Buck和
Boost
之间的自动转换模式
轻载时的脉冲跳跃模式效率
内部软启动
DC/DC转换器可设置为较低轻载静态电流
固定
2.4MHz
频率和可能同步
内置循环电流限制和过电压保护
内置热关机功能
电源良好功能
TDFN3X4-14包装(
3mmx4mm
)
4, PW5100 是一款高效率、低功耗、低纹波、高工作频率的 PFM 同步升压 DC/DC 变换器。输出电压可以进行内部调节,实现从 3.0V 至 5.0V 的固定输出电压, 调节步进为 0.1V。 PW5100 仅需要三个外围元件,就可将低输入电压升压到所需的工作电压。系统的工作频率高达 1.2MHz, 支持小型的外部电感器和输出电容器, 同时又能保持超低的静态电流,实现 MAX高的效率。
产品特点
⚫
MAX大效率可达:
95%
⚫
MAX高工作频率:
1.2MHz
⚫
超低启动电压:
0.7V@Io=1mA
⚫
宽输入电压范围:
0.7V~
5.0V
⚫
输入静态电流:
10uA@VIN=2.0V
⚫
输出电压可选:
3.0V~
5.0V@step=0.1V
⚫
输出电压精度:
±2.5%
⚫
低纹波
,低噪声:
±10mV@Io=50mA
⚫
使能关断控制:
≤ 0.2V(低电平),
≥ 0.4*Vout(高电平)
5, PW5300是电流模式升压 DC-DC转换器。其内置 0.2 Ω功率 MOSFET的 PWM电路使该稳压器具有效率高的功率效率。内部补偿网络还可以程度地减少了 6个外部元件的数量。误差放大器的同相输入连接到 0.6V精密基准电压,内部软启动功能可以减低浪涌电流。 PW5300采用 SOT23-6封装,为应用提供节省空间的 PCB。
特点:
可调输出 MAX达 12V
内部固定 PWM频率: 1.0MHz
内部 0.2Ω, 2.5安, 16V功率 MOSFET
关断电流: 0.1μA
过温保护,过压保护
可调过电流保护: 0.5A〜 2.5A( Vin端)
6, PW5328B是一款恒定频率, 6 引脚 SOT23 电流模式升压转换器,适用于小型,低功耗应用。 PW5328B 的开关频率为 1.2MHz ,允许使用高度小于 2mm 的小型低成本电容器和电感器。内部软启动可减小浪涌电流并延长电池寿命。 PW5328B 具有在轻负载时自动切换到脉冲频率调制模式的功能。 PW5328B 包括欠压锁定,电流限制和热过载保护,以防止在输出过载情况下损坏。 PW5328B采用6引脚小型SOT-23封装。
特点:
|
效率 可达 9 7% |
|
2V至24V输入电压 |
|
1.2MHz固定开关频率 |
|
内部4 安 开关电流限制 |
|
可调输出电压 |
|
内部补偿 |
|
自动脉冲频率调制 |
|
轻载模式 |
|
采用SOT23-6封装 |
7, PW6276是一颗高效同步升压转换芯片,锂电池输入升压输出可达
5V2.4A。内部集成低阻抗功率
MOS。 具有短路保护功能内部集成软启动电路,无需外部补偿电容,外部反馈网络。
PW6276采用
SOP8-EP 封装配合较少的外围原件使其非常适用于便携式产品。
特点
⚫ 工作频率
500KHz
⚫ 内部集成同步整流
MOS,无需外部整流二极管
⚫ 外部反馈网络,输出电压可调节
⚫ 恒流短路保护模式
⚫ 电流模式,响应速度快
⚫ 内部过流保护功能
8,
锂电池
3.7V
升压
5V3A
功率芯片,PW5303是具有
PWM/ PSM控制的电流模式升压
DC/DC转换器。它的
PWM电路具有内置的
30mΩ高端开关和
30mΩ低端开关,使该稳压器具有很高的功率效率。内部补偿网络还将外部元件的数量减少到仅
6个。内部
0.6V电压连接到误差放大器的同相输入作为精密基准电压。内置的软启动功能可以减少浪涌电流。 具有
PWM / PSM控制的电流模式
特征
输入电压范围:
2.4V〜4.5V
可调输出高达
5.3V
关断电流:
<1uA
振荡器频率:
500KHz
参考电压:
0.6V +/-2
关机期间断开负载
逐周期电流限制
低
RDS(
on):高端和低端均为
30mΩ
保护:
OTP,
OCP,
SCP
内部补偿
内部软启动:
7ms
封装:
SOP8-EP
9, 搭配的锂电池充电 IC ,实现边充边放电。
10,搭配的锂电池稳压 LDO芯片,和降压芯片
| 联系人: | 郑先生(夸克微科技,不是夸克浏览器的) |
|---|---|
| 电话: | 13528458039 |
| Email: | zqf@kkmicro.com |
| QQ: | 2867714804 |
| 微信: | 13528458039 |
| 地址: | 深圳市福田区赛格广场24楼2401A |



















