5V升压8.4V,5V转8.4V充电芯片
- 2021-03-11 13:35:00
- admin 原创
- 1440
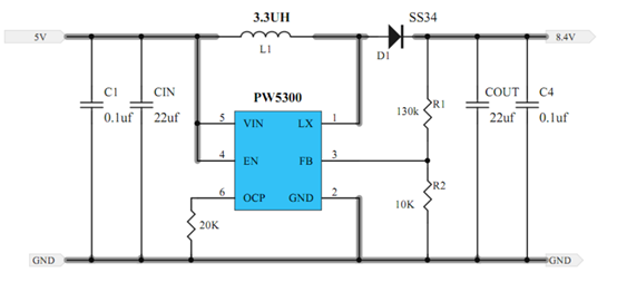
5V升压 8.4V SOT23-6封装的六脚升压 IC
PW5300 是一颗 DC-DC 异步整流升压转换器芯片,输入电压范围 2.6V-5.5V. 最高输出电压 12V ,
PW5300 是一种电流模式升压 DC-DC 转换器。内置 0.2Ω 功率的 PWM 电路 MOSFET 使这种调节器具有很高的功率效率。内部补偿网络也减少多达 6 个外部组件计数。误差放大器的非逆变输入接 0.6V 精密参考电压,内部软启动功能可减少浪涌 电流。
PW5300 提高 SOT23-6L 封装。
2串 7.4V锂电池又叫 8.4V锂电池,因为充满电压是 8.4V,一般电压是 7.4V.
双节锂电池的保护芯片电路的过电流保护阈值是由开关 MOS管 PW8205A8TS来决定的,如果觉得小,可以多个进行并联的操作,达到增大过流电流的应用。
对于双节锂电池保护芯片电路和双节锂电池的充电电路是如果接在一起,组成一个充放电工作的电路。再加上锂电池输出电路的话,可以边充边放。
5V输入,升压型号,充电电流 1A,双节锂电池充电管理芯片 PL7501C
PL7501C
的升压开关充电转换器的工作频率为
600KHz
, 最大
2A
输入充电,转换效
率为
90%
。
PL7501C
输入电压为
5V,
内置自适应环路,可智能调节充电电流, 防止拉挂适配器输出可匹配所有适配器。
PW4203是一款 4.5-22V输入, 2A同步降压多节锂离子电池充电器,适用于便携式应用程序。选择引脚方便多电池充电。 800kHz同步降压调节器集成了 22V额定值的超低导通电阻 FET,以实现高效率和简单的电路设计。 PW4203提供 8针 SOP封装,提供非常紧凑的系统解决方案和导热性好。
同时双节锂电池供电电压不是固定恒压的,我们需要进行降压或者升压的 DC-DC芯片或者 LDO来达到我们需要的电压要求,如:
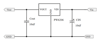
PW6206,输入 3V-40V, LDO线性稳压芯片,输出 3V,3.3V,5V
PW2162,输入 4V-16V,输出电流 2A,可调输出 DC-DC降压芯片
PW2163,输入 4V-16V,输出电流 3A,可调输出 DC-DC降压芯片
| 联系人: | 郑先生(夸克微科技,不是夸克浏览器的) |
|---|---|
| 电话: | 13528458039 |
| Email: | zqf@kkmicro.com |
| QQ: | 2867714804 |
| 微信: | 13528458039 |
| 地址: | 深圳市福田区赛格广场24楼2401A |











