9V转3.3V,12V转3.3V的DC-DC降压芯片
- 2020-11-02 11:07:00
- admin 原创
- 2536
9V转 3.3V,12V转 3.3V给 MCU供电,要求输出电压稳定,低纹波等, 9V转 3.3V,12V转 3.3V降压到 1A,2A,3A的大电流降压电路芯片, DC-DC降压芯片虽然在静态功耗上比 LDO大很多倍,但是 LDO线性稳压的特点,所以 LDO不适合 100MA以上应用,建议用 DC-DC降压方案。
DC-DC降压芯片方案的优势,在于能量的转换效率上,由于 DC-DC转换效率高,普遍 90%左右。在大电流输出功率时, DC-DC做到了 LDO无法取代的地步。
LDO线性稳压,由于能量转换效率在 60%左右,能量的损耗就表现在温度上了,转换成了热量,通过芯片来挥发。
PW2162是一颗 DC-DC同步降压转换器芯片,输入电压范围 4.5V-16V,最大负载电流 2A,可调输出电压,频率 600kHZ高频率,可采用贴片电感,节省空间,采用 SOT23-6封装形式。
PW2162是一颗高效率,高集成的 2A同步整流降压转换器, PW2162可在宽输入电压范围工作: 4.5V-16V,可调输出电压,内部集成了 MOS管整流,节省了外部肖特基二极管,效率也得到提高。
PW2162典型应用电路图
PW2162的 PCB布局设计建议:
同时 PW2163的输入电压最大可以 3A,脚位和电路是和一样的。
PW2312是一颗 DC-DC同步降压转换器芯片,输入电压范围 4V-30V,最大负载电流 1.2A,可调输出电压,频率 1.4MHZ高频率,可采用贴片电感,节省空间,采用 SOT23-6封装形式。
LDO线性方案:
|
。。。 |
|||||
|
LDO产品 |
输入电压 |
输出电压 |
输出电流 |
静态功耗 |
封装 |
|
PW6566 |
1.8V~ 5.5V |
1.2V~ 5V多 |
250mA |
2uA |
SOT23-3 |
|
PW6218 |
4V~ 18V |
3V,3.3V,5V |
100MA |
3uA |
Sot23-3 |
|
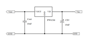
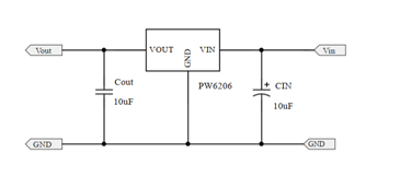
PW6206 |
4.5V~ 40V |
3V,3.3V,5V |
150MA |
4.2uA |
Sot23/89 |
|
PW8600 |
4.5V~ 80V |
3V,3.3V,5V |
150MA |
2 uA |
Sot23-3 |
从上表
个来看
,最合适的是
PW6218; ,但是
12V和
18V的电压接近,可以选用更宽范围的
LDO,如
PW6206来进行演兵等。
| 联系人: | 郑先生(夸克微科技,不是夸克浏览器的) |
|---|---|
| 电话: | 13528458039 |
| Email: | zqf@kkmicro.com |
| QQ: | 2867714804 |
| 微信: | 13528458039 |
| 地址: | 深圳市福田区赛格广场24楼2401A |






