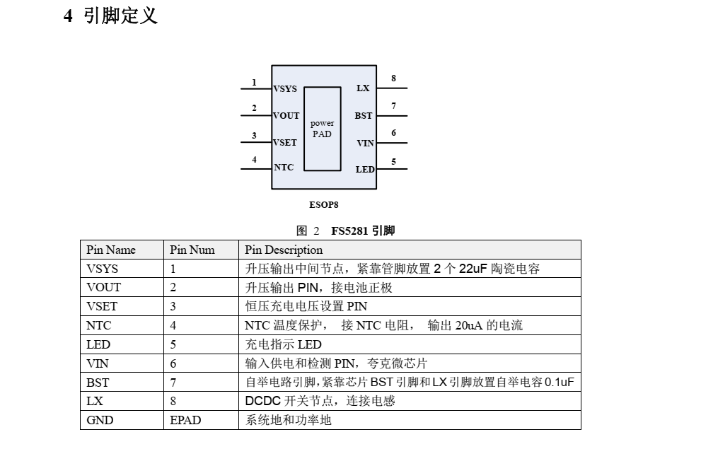
高效低价,夸克微FS5281充电管理IC,充电优选!
- 2024-04-27 09:42:00
- admin 原创
- 748
发表评论
文章分类
深圳市夸克微科技有限公司
| 联系人: | 郑先生(夸克微科技,不是夸克浏览器的) |
|---|---|
| 电话: | 13528458039 |
| Email: | zqf@kkmicro.com |
| QQ: | 2867714804 |
| 微信: | 13528458039 |
| 地址: | 深圳市福田区赛格广场24楼2401A |










