PW4054锂电池充电芯片规格书
- 2020-09-18 22:20:00
- admin 原创
- 8155
进行恒流/恒压充电。充电电流可以由外部电阻编程决定,最大充电电流可以达到 500mA。
PW4054 有个漏极开路输出的状态指示输出端,充电状态指示端 CHRG。芯片内部的功率管电路
在芯片的结温超过 135℃时自动降低充电电流,这个功能可以使用户最大限度利用芯片充电,不
用担心芯片过热而损坏芯片或者外部元器件。
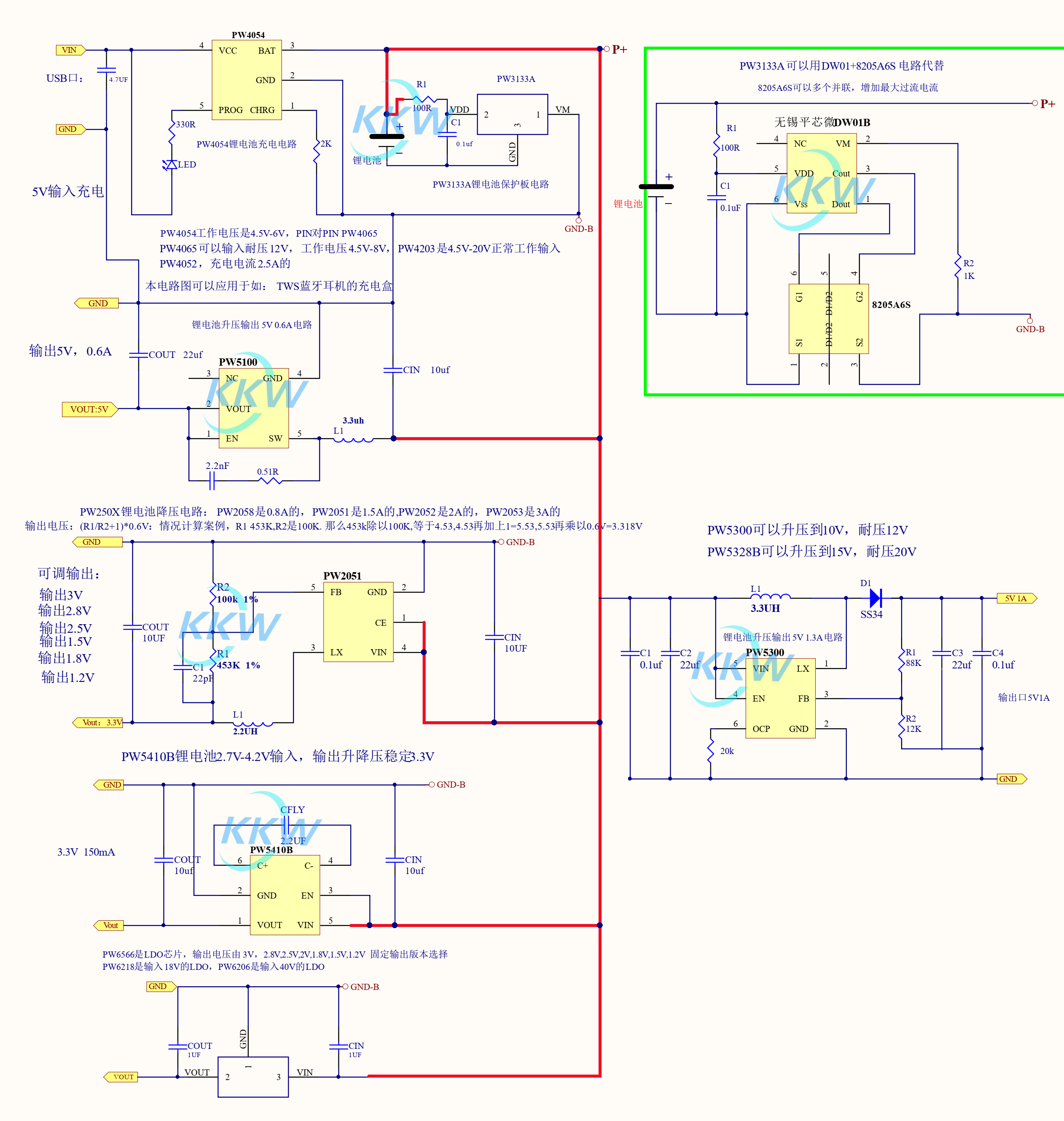
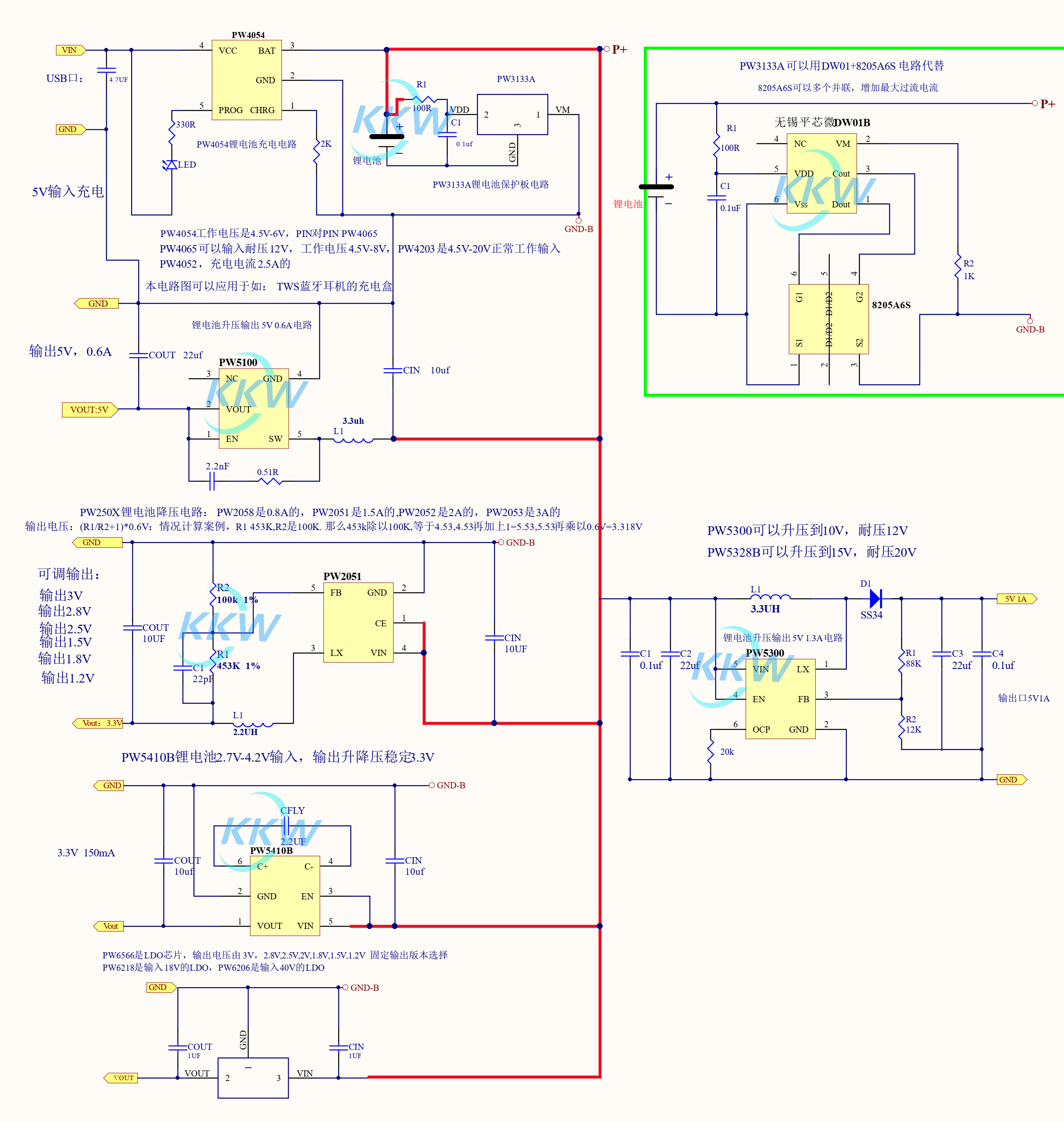
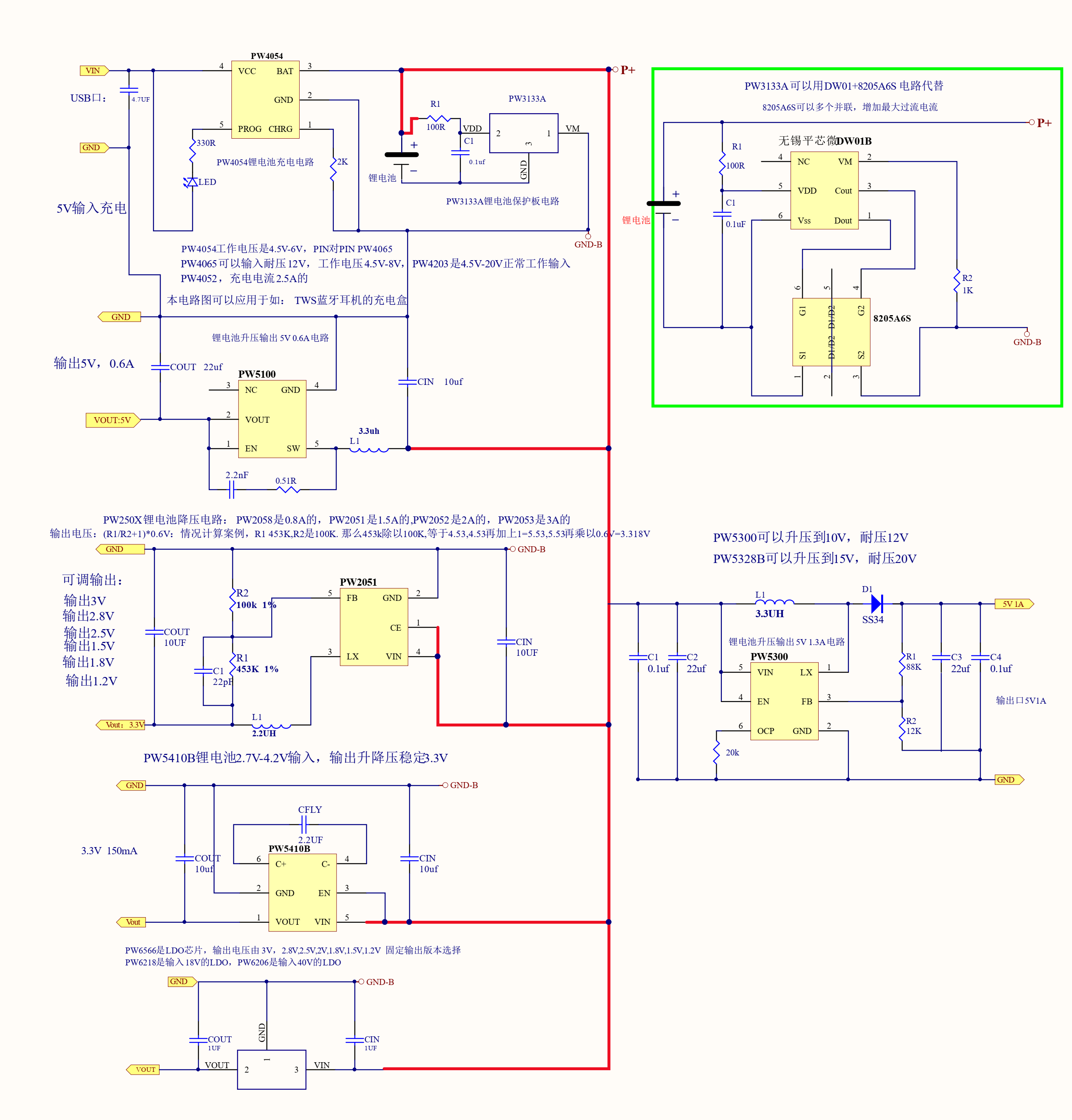
PW4054电路图:
PW4054应用非常广泛:玩具,美容仪,充电宝,TWS耳机,音箱,LED球泡灯(带锂电池)等等很多,
下图是一个TWS充电仓的电路图,或者充电宝电路图。 PCB文件已经上传到附件可以给大家下载。
- PW4054规格书.pdf 3348 MD5
发表评论
文章分类
深圳市夸克微科技有限公司
| 联系人: | 郑先生(夸克微科技,不是夸克浏览器的) |
|---|---|
| 电话: | 13528458039 |
| Email: | zqf@kkmicro.com |
| QQ: | 2867714804 |
| 微信: | 13528458039 |
| 地址: | 深圳市福田区赛格广场24楼2401A |







