5V到12V 快充 PD/QC 输入单节锂电池 2A 充电芯片方案 PCB 板 6号
1 电路板 PCB 描述:
1.1 名称: 5V-12V 快充 PD/QC 输入单节锂电池 2A 充电芯片方案 PCB 板
1.2 应用:便捷充电设备等
1.3 电池组: 3.7V 锂电池组,多并或单串, 充满 4.2V (4.35V 需要更换 PW4203A 芯片,同时短接
帽改 OP 位置)
1.4 输入电压: 5V-12V (充电亮灯,充满灭灯,不接电池是闪灯)
1.5 Max 充电电流(输出): 2A
1.1 名称: 5V-12V 快充 PD/QC 输入单节锂电池 2A 充电芯片方案 PCB 板
1.2 应用:便捷充电设备等
1.3 电池组: 3.7V 锂电池组,多并或单串, 充满 4.2V (4.35V 需要更换 PW4203A 芯片,同时短接
帽改 OP 位置)
1.4 输入电压: 5V-12V (充电亮灯,充满灭灯,不接电池是闪灯)
1.5 Max 充电电流(输出): 2A
详情
1 电路板 PCB 描述:
1.1 名称: 5V-12V 快充 PD/QC 输入单节锂电池 2A 充电芯片方案 PCB 板
1.2 应用:便捷充电设备等
1.3 电池组: 3.7V 锂电池组,多并或单串, 充满 4.2V (4.35V 需要更换 PW4203A 芯片,同时短接
帽改 OP 位置)
1.4 输入电压: 5V-12V (充电亮灯,充满灭灯,不接电池是闪灯)
1.5 Max 充电电流(输出): 2A
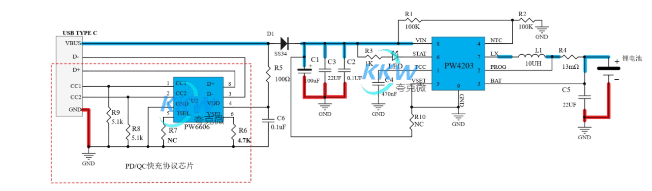
1.6 芯片功能简介:
1, 锂电池充电电路: PW4203
PW4203 锂电池充电管理芯片, 可达 2A 充电电流,开关式高效率, 支持 1 节和 2 节串联锂电池。
2, USB C 口 PD 快充协议芯片: PW6606
PW6606 是 PD/QC 快充协议芯片, SINK 端, 负责协议通讯 PD 充电器使输出其指定的电压。
2, 电路图:

1.1 名称: 5V-12V 快充 PD/QC 输入单节锂电池 2A 充电芯片方案 PCB 板
1.2 应用:便捷充电设备等
1.3 电池组: 3.7V 锂电池组,多并或单串, 充满 4.2V (4.35V 需要更换 PW4203A 芯片,同时短接
帽改 OP 位置)
1.4 输入电压: 5V-12V (充电亮灯,充满灭灯,不接电池是闪灯)
1.5 Max 充电电流(输出): 2A
1.6 芯片功能简介:
1, 锂电池充电电路: PW4203
PW4203 锂电池充电管理芯片, 可达 2A 充电电流,开关式高效率, 支持 1 节和 2 节串联锂电池。
2, USB C 口 PD 快充协议芯片: PW6606
PW6606 是 PD/QC 快充协议芯片, SINK 端, 负责协议通讯 PD 充电器使输出其指定的电压。
2, 电路图:
PCB 布局分两部分电路:信号控制电路+功率电路
蓝色粗线功率走线布局宽;
红色粗线功率地,画板要点:功率地要宽,各点连接回路距离短,地要多打孔.
3, PCB 图和 3D 显示图
4, BOM 物料表
发表评论
深圳市夸克微科技有限公司
| 联系人: | 郑先生(夸克微科技,不是夸克浏览器的) |
|---|---|
| 电话: | 13528458039 |
| Email: | zqf@kkmicro.com |
| QQ: | 2867714804 |
| 微信: | 13528458039 |
| 地址: | 深圳市福田区赛格广场24楼2401A |
产品分类
