9号板是USB 输入电路板 3.7V 的锂电池组,充电电流最大2A
这是一款
USB
输入电路板, 可以用于便捷充电设备等。 它适用于
3.7V
的锂电池组, 可以支
持多个并联或单个串联的电池, 充满电后电压为 4.2V 。
该电路板可以接受 5V 的输入电压, 并且能够提供最大 2A 的充电电流。当电池正在充电时,
指示灯会亮起,当电池充满时,指示灯会变成红色。
持多个并联或单个串联的电池, 充满电后电压为 4.2V 。
该电路板可以接受 5V 的输入电压, 并且能够提供最大 2A 的充电电流。当电池正在充电时,
指示灯会亮起,当电池充满时,指示灯会变成红色。
详情
这是一款
USB
输入电路板, 可以用于便捷充电设备等。 它适用于
3.7V
的锂电池组, 可以支
持多个并联或单个串联的电池, 充满电后电压为 4.2V 。
该电路板可以接受 5V 的输入电压, 并且能够提供最大 2A 的充电电流。当电池正在充电时,
指示灯会亮起,当电池充满时,指示灯会变成红色。
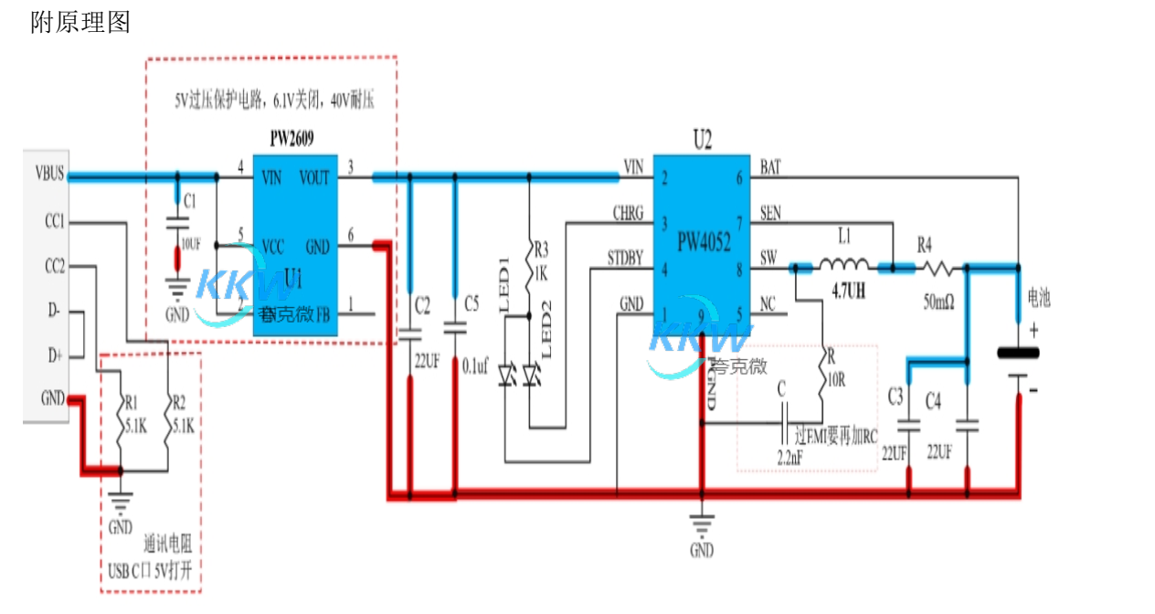
这个电路板使用了两个芯片, 分别是 PW4052 和 PW2609 。 PW4052 是锂电池充电管理芯片,
可以支持最高 2.5A 的充电电流,适用于单个串联的锂电池。 PW2609 是过压保护芯片,可
以防止输入电压过高损坏电路板。它可以检测到输入电压是否高于设定值, 如果高于 6.1V ,
则自动关闭输入。此外, 它还可以防止由于 USB 热插拔或快速充电器的高电压尖峰损坏电
路板,保护电路板和设备的安全。
持多个并联或单个串联的电池, 充满电后电压为 4.2V 。
该电路板可以接受 5V 的输入电压, 并且能够提供最大 2A 的充电电流。当电池正在充电时,
指示灯会亮起,当电池充满时,指示灯会变成红色。
这个电路板使用了两个芯片, 分别是 PW4052 和 PW2609 。 PW4052 是锂电池充电管理芯片,
可以支持最高 2.5A 的充电电流,适用于单个串联的锂电池。 PW2609 是过压保护芯片,可
以防止输入电压过高损坏电路板。它可以检测到输入电压是否高于设定值, 如果高于 6.1V ,
则自动关闭输入。此外, 它还可以防止由于 USB 热插拔或快速充电器的高电压尖峰损坏电
路板,保护电路板和设备的安全。
附原理图
附
BOM
发表评论
深圳市夸克微科技有限公司
| 联系人: | 郑先生(夸克微科技,不是夸克浏览器的) |
|---|---|
| 电话: | 13528458039 |
| Email: | zqf@kkmicro.com |
| QQ: | 2867714804 |
| 微信: | 13528458039 |
| 地址: | 深圳市福田区赛格广场24楼2401A |
产品分类
