干电池锂电池升降压 3.3V0.5A 恒压输出电路板 63号
1, 电路板 PCB 描述:
1.1 名称: 干电池锂电池升降压 3.3V0.5A 恒压输出电路板
1.2 应用:升压-降压 3.3V 电压转换板
1.3 VIN 输入电压: 0.8V-5V
1.4 VOUT 输出电压: 3.3V 0.5A
1.1 名称: 干电池锂电池升降压 3.3V0.5A 恒压输出电路板
1.2 应用:升压-降压 3.3V 电压转换板
1.3 VIN 输入电压: 0.8V-5V
1.4 VOUT 输出电压: 3.3V 0.5A
详情
1, 电路板 PCB 描述:
1.1 名称: 干电池锂电池升降压 3.3V0.5A 恒压输出电路板
1.2 应用:升压-降压 3.3V 电压转换板
1.3 VIN 输入电压: 0.8V-5V
1.4 VOUT 输出电压: 3.3V 0.5A
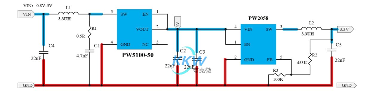
1.5 芯片功能简介:
1, 升压电源芯片: PW5100
PW5100 是一款低静态电流 8uA 的干电池升压和锂电池升压芯片, 输入电压 0.7V~ 5V,固定输
出版本选择, 输出电流可达至 500mA, 外围仅 2 个贴片陶瓷电容,一个小电感
2, DC-DC 降压芯片: PW 2058
PW2058 是一款低静态电流低压差的 DC-DC 降压稳压芯片, 输入电压 2V~ 6V, 可调输出, 电流
可达 0.8A, 采用 SOT23-5 封装。
2,电路图:
1.1 名称: 干电池锂电池升降压 3.3V0.5A 恒压输出电路板
1.2 应用:升压-降压 3.3V 电压转换板
1.3 VIN 输入电压: 0.8V-5V
1.4 VOUT 输出电压: 3.3V 0.5A
1.5 芯片功能简介:
1, 升压电源芯片: PW5100
PW5100 是一款低静态电流 8uA 的干电池升压和锂电池升压芯片, 输入电压 0.7V~ 5V,固定输
出版本选择, 输出电流可达至 500mA, 外围仅 2 个贴片陶瓷电容,一个小电感
2, DC-DC 降压芯片: PW 2058
PW2058 是一款低静态电流低压差的 DC-DC 降压稳压芯片, 输入电压 2V~ 6V, 可调输出, 电流
可达 0.8A, 采用 SOT23-5 封装。
2,电路图:
PW5100 把 0.8V-5V 的输入范围, 恒压输出 5V 给到 PW2058 供电, PW2058 恒压 3.3V 固定输出
3, PCB 图和 3D 显示图
发表评论
深圳市夸克微科技有限公司
| 联系人: | 郑先生(夸克微科技,不是夸克浏览器的) |
|---|---|
| 电话: | 13528458039 |
| Email: | zqf@kkmicro.com |
| QQ: | 2867714804 |
| 微信: | 13528458039 |
| 地址: | 深圳市福田区赛格广场24楼2401A |
产品分类
