
PD 和 QC 快充充电器 2A 给三节磷酸铁锂电池充电芯片方案 PW4000 137号
1 电路板 PCB 描述:
1.1 名称: PD 和 QC 快充充电器 2A 给三节磷酸铁锂电池充电芯片 方案 PW4000
1.2 应用:便捷充电设备等
1.3 电池组: 9.6V 锂电池组,三串磷酸铁锂电池可多并,充满 10.8V
1.4 输入电压: 5V-12V (充电亮灯,充满转灯,不接电池是闪灯)
1.5 Max 充电电流: 2A
1.1 名称: PD 和 QC 快充充电器 2A 给三节磷酸铁锂电池充电芯片 方案 PW4000
1.2 应用:便捷充电设备等
1.3 电池组: 9.6V 锂电池组,三串磷酸铁锂电池可多并,充满 10.8V
1.4 输入电压: 5V-12V (充电亮灯,充满转灯,不接电池是闪灯)
1.5 Max 充电电流: 2A
详情
1 电路板 PCB 描述:
1.1 名称: PD 和 QC 快充充电器 2A 给三节磷酸铁锂电池充电芯片 方案 PW4000
1.2 应用:便捷充电设备等
1.3 电池组: 9.6V 锂电池组,三串磷酸铁锂电池可多并,充满 10.8V
1.4 输入电压: 5V-12V (充电亮灯,充满转灯,不接电池是闪灯)
1.5 Max 充电电流: 2A
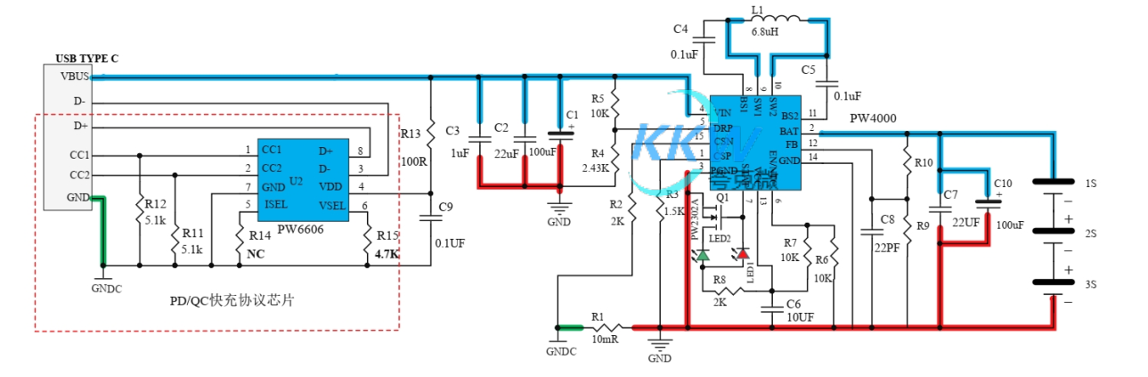
1.6 芯片功能简介:
1, 锂电池充电电路: PW4000
PW4000 是 1 节-4 节锂电池充电管理芯片,可达 3A 充电电流,支持升降压能力。
2, USB C 口 PD/QC 快充协议芯片: PW6606
PW6606 是 PD/QC 快充协议芯片, SINK 端,负责协议通讯快充充电器使输出其指定的电压。
2, 电路图:
1.1 名称: PD 和 QC 快充充电器 2A 给三节磷酸铁锂电池充电芯片 方案 PW4000
1.2 应用:便捷充电设备等
1.3 电池组: 9.6V 锂电池组,三串磷酸铁锂电池可多并,充满 10.8V
1.4 输入电压: 5V-12V (充电亮灯,充满转灯,不接电池是闪灯)
1.5 Max 充电电流: 2A
1.6 芯片功能简介:
1, 锂电池充电电路: PW4000
PW4000 是 1 节-4 节锂电池充电管理芯片,可达 3A 充电电流,支持升降压能力。
2, USB C 口 PD/QC 快充协议芯片: PW6606
PW6606 是 PD/QC 快充协议芯片, SINK 端,负责协议通讯快充充电器使输出其指定的电压。
2, 电路图:
发表评论
深圳市夸克微科技有限公司
联系人: | 郑先生(夸克微科技,不是夸克浏览器的) |
---|---|
电话: | 13528458039 |
Email: | zqf@kkmicro.com |
QQ: | 2867714804 |
微信: | 13528458039 |
地址: | 深圳市福田区赛格广场24楼2401A |
产品分类