PW4053代理商,原装现货
联系我们详情
PW4053 是一款 5V 输入,最大 1.2A 充电电流,支持三节锂离子电池的升压充电管理 IC。
PW4053 集成功率 MOS,采用异步开关架构,使其在应用时仅需极少的外围器件,可有效减少整体方案尺寸,降低 BOM 成本。 PW4053 的升压开关充电转换器的工作频率为 500KHz,转换效率为90%。
PW4053 输入电压为 5V,内置自适应环路,可智能调节充电电流大小,防止拉垮适配器输出,可匹配所有适配器。
PW4053 提供 SOP8-EP 封装形式, 工作温度额定范围为-40℃至 85℃。
产品特点
⚫
USB 5V 输入异步开关升压充电
⚫
工作电压 3.5~ 6V,芯片耐压 18V,内部集成高压晶体管
⚫
最大 1.2A 充电电流,外部电阻可调
⚫
NTC 功能
⚫
升压充电效率 90%
⚫
自动调节输入电流,匹配所有适配器
⚫
支持 LED 充电状态指示
⚫
内置功率 MOS
⚫
500KH 开关频率
⚫
输出过压,短路保护
⚫
输入欠压,过压保护
⚫
IC 过温保护
⚫
ESD 4KV
应用范围
⚫
锂电电池包
⚫
对讲机
⚫
玩具
⚫
蓝牙音箱
⚫
POS 机
⚫
电子烟
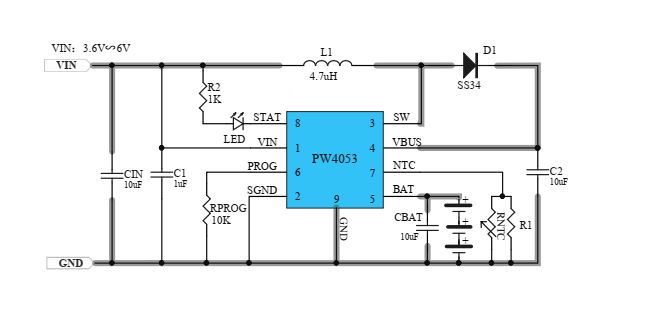
典型应用电路
引脚配置
/
说明
代理商:深圳市夸克微科技
郑先生 :13528458039
QQ 2867714804
| 联系人: | 郑先生(夸克微科技,不是夸克浏览器的) |
|---|---|
| 电话: | 13528458039 |
| Email: | zqf@kkmicro.com |
| QQ: | 2867714804 |
| 微信: | 13528458039 |
| 地址: | 深圳市福田区赛格广场24楼2401A |
