
PW2051原装现货,技术支援
联系我们详情
PW2051是一颗 DC-DC同步降压转换器芯片,输入电压范围 2.5V-5.5V,,最大负载电流 1.5A,可调输出电压,频率 1.5MHZ高频率,可采用贴片电感,节省空间,采用 SOT23-5封装形式。
PW2051
是一款由基准电压源、振荡电路、比较器、
PWM/PFM 控制电路等构成的
CMOS 降压型
DC/DC 调整器。利用
PWM/PFM 自动切换控制电路达到可调占空比,具有全输入电压范围内的低纹波、高效率和大输出电流等特点。
PW2051 内置功率
MOSFET, 集成了过压、过流、过热、短路等诸多保护电路,在超过控制值时会自动断开,以保护芯片。本产品结合了微型封装和低消耗电流等特点,最适合在移动设备的电源内部使用。
PW2051最大输出电流
1.5A,超高效率
95%
PW2051
采用
SOT23-5L 封装配合较少的外围原件使其非常适用于便携式产品。
PW2051常适用于, 5V转 3.3V, 5V转 3V, 5V转 2.8V, 5V转 3.6V, 5V转 2.5V, 5V转 2.4V, 5V转 1.5V, 5V转 1.2V, 5V转 1.8V, 3.7V转 3V, 3.7V转 2.8V, 3.7V转 2.5V, 3.7V转 1.8V, 3.7V转 1.5V, 3.7V转 1.2V, 3V转 2.8V, 3V转 2.5V, 3V转 1.8V, 3V转 1.5V, 3V转 1.2V等应用中。
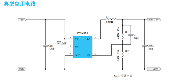
PW2051设计: (第一页外围元件设计,第二页 PCB画板设计)
外围元件设计:
1, CIN: 10uf是输入滤波电容,不加会影响 IC正常工作或损坏。
2, Cout: 10uf是输入滤波电容,不加会影响 IC正常工作或损坏。
3, C1为旁路电容,可根据实际情况调容值。
4, PW2051的 PIN 1脚:低电压关,高电平开。可接 VIN输入。
5,
R1,R2为反馈电阻,通过两个电阻的阻值来调输出电压。
6, L1为电感,可选用贴片电感:屏蔽电感,功率电感等,电感饱和电流越大和体积越大也能最大化效率和温度。
PCB画板设计:
1, 如下图,电源输入到输出,红线的,线要粗,要宽。电感和IC的LX脚部分要短而宽,也要注意到电感是发热源,需要注意散热处理。
2,如下图,输入电容
C2要尽量靠近芯片
PW2051的
4脚
VIN 输入脚
3,如下图,反馈电阻 R1,R2需要尽量靠近芯片 PW2051的 5脚 FB反馈脚,并远离电感电感和 IC的 LX脚部分的开关电路,即 PW2051芯片的 3脚 LX
4, PW2051芯片在工作时,带载过大时芯片本身也是发热源之一, IC底部可以多打孔等其他散热处理。
5,如下图:输入电容和输出电容接 GND的画板也需要注意,不要先从电感底部经过或者单独,再回到 GND
代理商:深圳市夸克微科技
郑先生 :13528458039
QQ 2867714804
联系人: | 郑先生(夸克微科技,不是夸克浏览器的) |
---|---|
电话: | 13528458039 |
Email: | zqf@kkmicro.com |
QQ: | 2867714804 |
微信: | 13528458039 |
地址: | 深圳市福田区赛格广场24楼2401A |