
PW2205原装现货,技术支援
联系我们详情
一般说明
PW2205开发了一种高效率的同步降压 DC-DC转换器 5A输出电流。 PW2205在 4.5V到 30V的宽输入电压范围内工作集成主开关和同步开关,具有非常低的 RDS( ON)以最小化传导
损失。 PW2205采用瞬时脉宽调制( PWM)结构,实现高阶跃降的快速瞬态响应轻载时的应用和高效率。此外,它的工作频率是伪恒定的在连续导通模式下为 500kHz,以使电感器和电容器的尺寸最小
特征
- 内部整流 MOS的低 RDS( on)(顶部 /底部): 70/40 mΩ
- 4.5V-30V输入电压范围
- 瞬时 PWM架构实现快速瞬态响应
- 外部软启动限制涌入电流
- 恒频: 500kHz at重载
- 5A连续, 6A峰值负载电流能力
- 1.5%0.6V参考电压
- 输出过电流限制
- 输出短路保护当前折回
- 热关机和自动恢复
- 符合 RoHS标准且无卤素
- 包装: SOP8-EP
应用
- 液晶电视
- 大功率 AP路由器
- 网络
- 机顶盒
- 笔记本
- 保管部
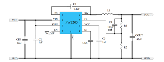
典型应用电路
Tss(ms)=Css(nF)*0.6(V)/10(uA)
Vout=0.6*(1+R1/R2),如:R1=100K, R2=22.1K,VOUT=3
引脚分配
/
说明
代理商:深圳市夸克微科技
郑先生 :13528458039
QQ 2867714804
联系人: | 郑先生(夸克微科技,不是夸克浏览器的) |
---|---|
电话: | 13528458039 |
Email: | zqf@kkmicro.com |
QQ: | 2867714804 |
微信: | 13528458039 |
地址: | 深圳市福田区赛格广场24楼2401A |