PW2224原装现货,技术支援
联系我们详情
一般说明
PW2224是一种高效率的单电感Buck-Boost变换器,可以为负载供电电流高达4A。它提供降压和升压模式之间的自动转换。PW2224工作频率为2.4MHz,也可与外部频率从2.2MHz同步到2.6MHz。直流/直流变频器在轻负载下以脉冲跳频方式工作。可以禁用省电模式,强制PW2224在FPWM模式下运行。在关机。
PW2224采用TDFN3X4-14包装。
特征
- 2.8V~5.5V输入电压运行
- 可调输出电压从2.8V到5.5V
- 96%效率DC/DC变换器
- VIN>3.6V时3.3V时的3A输出电流
- Buck和Boost之间的自动转换模式
- 轻载时的脉冲跳跃模式效率
- 内部软启动
- DC/DC转换器可设置为较低轻载静态电流
- 固定2.4MHz频率和可能同步
- 内置循环电流限制和过电压保护
- 内置热关机功能
- 电源良好功能
- TDFN3X4-14包装(3mmx4mm)
应用
- 手机
- 智能手机
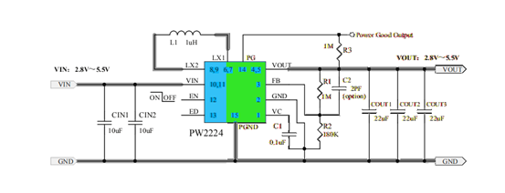
典型应用电路
引脚分配 / 说明
别针
姓名
功能
1
VC
IC 电源输入
2
GND
芯片模拟接地
3
FB
输出电压反馈引脚。 VOUT=0.5V* ( 1+R1/R2 )
4
VOUT
Buck-Boost 变换器的输出功率
5
VOUT
Buck-Boost 变换器的输出功率
6
LX1
电感器开关节点
7
LX1
电感器开关节点
8
LX2
电感器开关节点
9
LX2
电感器开关节点
10
VIN
Buck-Boost 变换器的功率输入
11
VIN
Buck-Boost 变换器的功率输入
12
EN
启用引脚( 1 启用, 0 禁用),不得保持打开状态
13
ED
启用 / 禁用省电模式( 1 禁用, 0 启用,时钟同步信号),不得保持打开状态。
14
PG
开漏输出功率良好指示器( 1 良好, 0 失败)
15
PGND
Buck-Boost 变换器的电源地。暴露的衬垫必须焊接到一个大的印刷电路板,并连接到最大的 PGND 功耗。
PCB 布局指南
仔细的PCB布局是实现清洁和稳定运行的关键。强烈建议复制PW2224评估工具包布局以获得最佳性能。如果需要偏差,请遵循以下准则以获得良好的PCB布局:
1将输入和输出电容器尽可能靠近输入和输出引脚。
2保持主电源线尽可能宽和短。
3将GND和裸露的焊盘连接到一个坚固的接地层上,以达到最大的散热效果
以及噪音防护。
4开关节点经历高频电压波动,应在小范围内形成海带。保持模拟元件远离开关节点,防止杂散电容噪声拾取。
代理商:深圳市夸克微科技
郑先生 :13528458039
QQ 2867714804
| 联系人: | 郑先生(夸克微科技,不是夸克浏览器的) |
|---|---|
| 电话: | 13528458039 |
| Email: | zqf@kkmicro.com |
| QQ: | 2867714804 |
| 微信: | 13528458039 |
| 地址: | 深圳市福田区赛格广场24楼2401A |
