
PW2205芯片代理,原装现货,技术支援
联系我们详情
一般说明
PW2205开发了一种高效率的同步降压DC-DC转换器5A输出电流。PW2205在4.5V到30V的宽输入电压范围内工作集成主开关和同步开关,具有非常低的RDS(ON)以最小化传导
损失。PW2205采用瞬时脉宽调制(PWM)结构,实现高阶跃降的快速瞬态响应轻载时的应用和高效率。此外,它的工作频率是伪恒定的在连续导通模式下为500kHz,以使电感器和电容器的尺寸最小
特征
内部整流MOS的低RDS(on)(顶部/底部):70/40 mΩ
4.5V-30V输入电压范围
瞬时PWM架构实现快速瞬态响应
外部软启动限制涌入电流
恒频:500kHz at重载
5A连续,6A峰值负载电流能力
1.5%0.6V参考电压
输出过电流限制
输出短路保护当前折回
热关机和自动恢复
符合RoHS标准且无卤素
包装:SOP8-EP
应用
液晶电视
大功率AP路由器
网络
机顶盒
笔记本
保管部
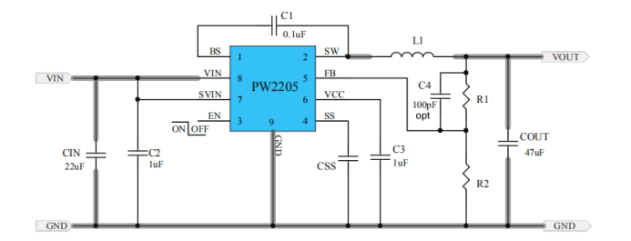
典型应用电路
品牌代理商:深圳市夸克微科技
郑生: 13528458039
QQ : 2867714804
联系人: | 郑先生(夸克微科技,不是夸克浏览器的) |
---|---|
电话: | 13528458039 |
Email: | zqf@kkmicro.com |
QQ: | 2867714804 |
微信: | 13528458039 |
地址: | 深圳市福田区赛格广场24楼2401A |