
PW2312原装现货,技术支援
联系我们详情
一般说明
PW2312是一个高频,同步,整流,降压,开关模式转换器内部功率MOSFET。它提供了一个非常紧凑的解决方案,以实现1.5A的峰值输出电流在广泛的输入电源范围内,具有优良的负载和线路调节PW2312需要最少数量的现成外部组件,可在节省空间的SOT23-6包。
特征
- 宽4V至30V工作输入范围
- 1.2A连续输出电流
- 1.4MHz开关频率
- 短路保护模式
- 内置过流限制
- 内置过电压保护
- 模式PWM
- 内部软启动
- 200mΩ/150mΩ低RDS(ON)内部功率金氧半晶体
- 不需要肖特基二极管
- 综合内部补偿
- 热关机
- 提供SOT23-6套装
- -40°C至+85°C温度范围
应用
- 闭路电视摄像机
- 平板电视和显示器
- 电池充电器
- 分布式电力系统
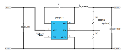
CIN推荐47-100uF同时并联0.1uF,输入电压低时贴片电容,输入高时要电解电容
COUT建议22uF两个并联,L1推荐2.2-4.7UH,C2一般是22pF,可调
输入电压低时,EN可直接接VIN,输入电压高时,一般串个电阻再接VIN。
引脚分配/说明
Pin 编号 |
Pin 名称 |
功能 |
1 |
BS |
引导。需要在SW 和BS 引脚之间连接电容器在高压侧开关驱动器上形成浮动电源 |
2 |
GND |
接地引脚 |
3 |
FB |
可调版本反馈输入。将FB 连接到中心点外部电阻分压器 |
4 |
EN |
将该引脚驱动到逻辑高电平以启用IC 。驱动逻辑低到禁用IC 并进入微电源关闭模式 |
5 |
VIN |
电源引脚 |
6 |
SW |
开关管脚 |
代理商:深圳市夸克微科技
郑先生 :13528458039
QQ 2867714804
联系人: | 郑先生(夸克微科技,不是夸克浏览器的) |
---|---|
电话: | 13528458039 |
Email: | zqf@kkmicro.com |
QQ: | 2867714804 |
微信: | 13528458039 |
地址: | 深圳市福田区赛格广场24楼2401A |