
代理PW2330芯片,原装,现货直销,技术支持
联系我们详情
一般说明
PW2330开发了一种高效率的同步降压DC-DC变换器3A输出电流。PW2330在4.5V到30V的宽输入电压范围内工作集成主开关和同步开关,具有非常低的RDS(ON)以最小化传导
损失。PW2330采用专有的瞬时PWM结构,实现快速瞬态响应适用于高降压应用和轻负载下的高效率。此外,它在在连续传导模式下的500kHz伪恒定频率,以最小化电感器和电容器。
特征
- 内部整流MOS的低RDS(on)(顶部/底部):90/60 mΩ
- 4.5-30V输入电压范围
- 瞬时PWM架构实现快速
- 瞬态响应
- 外部软启动限制涌入电流
- 恒频:500kHz
- 3A连续负载电流能力
- 输出过电流限制
- 输出短路保护当前折回
- 热关机和自动恢复
- 符合RoHS标准且无卤素
- 紧凑型包装:SOP8-EP
应用
- 液晶显示器
- 液晶电视
- 机顶盒
- 北美
- 大功率AP路由器
- 液晶显示器
- DVR/NVR
- 笔记本
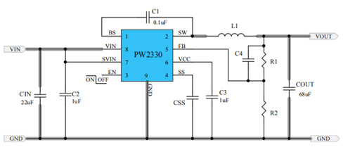
典型应用电路
Tss(ms)=Css(nF)*0.6(V)/10(uA)
Vout=0.6V*(1+R1/R2),如:R1=100K, R2=22.1K,VOUT=3.3V
PIN 分配 / 说明
数量 |
名称 |
功能 |
1 |
BS |
供应高压侧闸门驱动器。将此引脚与带0.1uF 陶瓷盖的SW 销。 |
2 |
SW |
感应器引脚。将此引脚连接到电感器的开关节点。 |
3 |
EN |
启用控制。 |
4 |
SS |
软启动编程引脚。将电容器从这个插脚连接到接地编程软启动时间。 Tss(ms)=Css(nF)*0.6(V)/10(uA) |
5 |
FB |
输出反馈引脚。将此销连接到输出电阻分压器,用于编程输出电压: Vout=0.6*(1+R1/R2) |
6 |
VCC |
内部 3.3V LDO 输出。内部模拟电路电源以及驱动电路。在该引脚和接地。 |
7 |
SVIN |
模拟电源输入。将1uF 电容器旁路接地。 |
8 |
SVIN |
电源输入。至少用10uF 将该引脚与GND 引脚断开陶瓷盖 |
9(EP) |
GND |
接地引脚。 |
代理商:深圳市夸克微科技
郑先生 :13528458039
QQ 2867714804
联系人: | 郑先生(夸克微科技,不是夸克浏览器的) |
---|---|
电话: | 13528458039 |
Email: | zqf@kkmicro.com |
QQ: | 2867714804 |
微信: | 13528458039 |
地址: | 深圳市福田区赛格广场24楼2401A |