
代理PW2153芯片,原装,现货直销,技术支持
联系我们详情
产品概述
PW2153 是一款支持宽电压输入的开关降压型 DC-DC 控制器,最高输入电压可超过 150V。 PW2153 具有低待机功耗、高效率、低纹波、优异的母线电压调整率和负载调整率等特性。支持大电流输出,输出电流可高达 10A 以上。
PW2153 同时支持输出恒压和输出恒流功能。通过设置 CS 电阻可设置输出恒流值。通过设置 FB1、 FB2 引脚的分压电阻可设置输出恒压值。PW2153 采用固定频率的 PWM 控制方式,典型开关频率为140KHz。轻载时会自动降低开关频率以获得高的转换效率。
PW2153 内部集成软启动以及过温保护电路,输出短路保护,限流保护等功能,提高系统可靠性。PW2153 支持输出5V/3A和12V/10A。
产品特点
- 宽输入电压范围: 8V~150V
- 输出电压从 5V 到 30V 可调
- 支持输出恒压恒流
- 高效率:可高达 96%
- 工作频率: 140KHz
- 低待机功耗
- 内置过温保护、输出短路保护
- 内置软启动
- SOP8封装
应用范围
- 电动车控制器供电
- 恒压源
- 车充、电池充电
代理商:深圳市夸克微科技
郑先生 :13528458039
QQ 2867714804
引脚配置/说明
引脚号 |
符号 |
引脚说明 |
1 |
DRV |
接外部 MOS 管栅极 |
2 |
VDD |
芯片电源 |
3 |
FB1 |
输出反馈电压正端采样 |
4 |
FB2 |
输出反馈电压负端采样 |
5 |
VCC |
内部 5V LDO 输出,接电容 |
6 |
VSN |
电感电流检测电阻负端 |
7 |
VSS |
芯片地 |
8 |
VSEND |
电感电流检测电阻正端 |
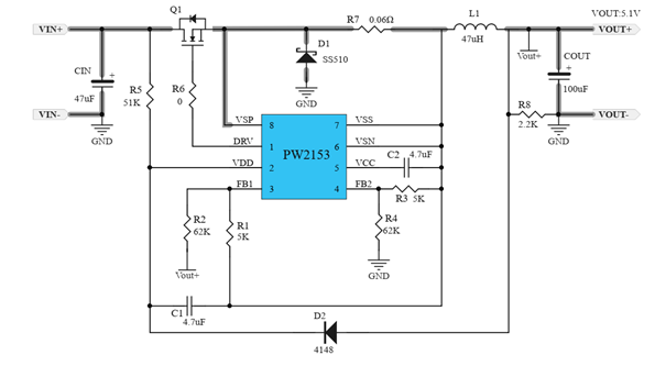
DEMO参考设计
联系人: | 郑先生(夸克微科技,不是夸克浏览器的) |
---|---|
电话: | 13528458039 |
Email: | zqf@kkmicro.com |
QQ: | 2867714804 |
微信: | 13528458039 |
地址: | 深圳市福田区赛格广场24楼2401A |