
12V转5V降压芯片-PW2163规格书
联系我们详情
一般说明
PW2163 是一种高效的 500kHz 同步降压 DC-DC 转换器,能够输送 3A 电流。 PW2163
在 4.5V 到 18V 的宽输入电压范围内工作集成主开关和同步开关,具有非常低的 RDS
(ON)以最小化传导损失。输出电压纹波低,外部电感器和电容器的尺寸为 500kHz
开关频率。采用瞬时 PWM 结构,实现快速瞬态响应对于高降压应用.
特征
⚫ 内部交换机(顶部/底部)的低 RDS(开):
⚫ 80mΩ/40mΩ
⚫ 4.5-18V 输入电压范围
⚫ 3A 输出电流能力
⚫ 500 kHz 开关频率
⚫ 瞬时 PWM 架构,实现快速瞬态响应。
⚫ 逐周期峰值电流限制
⚫ 内部软启动限制涌入电流
⚫ SOT23-6
应用
⚫ 机顶盒
⚫ 便携式电视
⚫ 接入点路由器
⚫ DSL 调制解调器
⚫ 液晶电视
代理商:深圳市夸克微科技 郑先生 :13528458039 QQ 2867714804
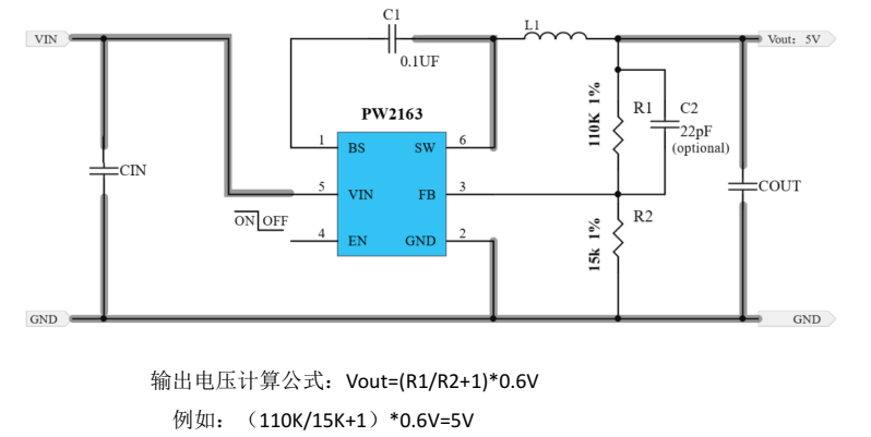
典型应用电路
布局设计:
PW2163 调节器的布置设计相对简单。以达到最佳效率和最低限度噪音问题,我们应该把以下
组件放在 IC 附近: CIN, L1, R1 和 R2。
1、最好将连接到 GND 引脚的 PCB 铜面积最大化,以达到最佳效果热性能和噪声性能。如果
电路板空间允许的话,地平面是非常理想的。
2、 CIN 必须接近引脚 VIN 和 GND。 CIN 和 GND 形成的环面积必须最小化。
3、与 SW pin 相关的 PCB 铜线面积必须最小化,以避免潜在的噪声问题。
4、组件 R1 和 R2 以及连接到 FB 引脚的迹线不得靠近电路板上的 SW-net 布局避免了噪声问
题。
5、 如果与 EN 引脚接口的系统芯片在关机模式下具有高阻抗状态而 VIN 引脚直接连接到电源,
如锂离子电池,这是可取的在 EN 和 GND 引脚之间增加一个 1 欧姆下拉电阻,以防止噪声在
关闭模式下错误地打开调节器。
操作
PW2163 是一款集成了 PWM 控制的同步降压调节器集成电路在同一个芯片上进行开关,以使开关转换损
耗和传导损耗最小化。带着 ultra 低 Rds(on)功率开关和专有的 PWM 控制,这种调节器 IC 可以达到最
高效率和最高开关频率同时最小化外部电感和电容器尺寸,从而实现最小的解决方案占地面积。 PW2163
提供循环限流和热关机等保护功能保护。 PW2163 将检测故障保护的输出电压条件。
应用信息
由于 PW2163 集成电路具有较高的集成度,基于该调节器的应用电路 IC 相当简单。仅输入电容 CIN,输
出电容 COUT,输出电感 L 和反馈电阻(R1 和 R2)需要为目标应用规范选择。
外部增压器盖
该电容器为内部高压侧 MOSEFET 提供栅极驱动电压。 100nF 低 ESR 建议在 BS 引脚和 SW 引脚之间连接
陶瓷电容器。
负载瞬态考虑:
PW2163 调节器集成了补偿元件,实现了良好的稳定性和快速瞬态响应。在某些应用中,与 R1
并联添加 22pF 陶瓷盖可能会进一步加速负载瞬态响应,因此建议用于大型应用负载瞬态阶跃要求。
反馈电阻分压器 R1 和 R2:
选择 r1 和 R2 编程正确的输出电压。在轻负载时,最好选择 R1 和 R2 的大电阻值。介于之间的
值强烈建议两个电阻器使用 10kΩ 和 1MΩ。如果 Vout 为 3.3V,选择 R1=100k,则利用下式,R2
可计算为 22.1k:
为了减少潜在的噪音问题,放置一个典型的 X5R 或更高等级的陶瓷电容器接近 VIN 和 GND 引
脚。应注意尽量减少 CIN 形成的环面积,以及 VIN/GND 引脚。在这种情况下,建议使用 10uF
低 ESR 陶瓷电容器。
输出电容器:
输出电容器 COUT:输出选择电容器来处理输出纹波噪声要求。两种稳态选择此电容器时,必须
考虑纹波和瞬态要求。为了获得最佳性能,建议使用 X5R 或更高等级的陶瓷电容器大于 22uF
电容。
输出电感器 L:
在选择这个电感器时有几个考虑因素。
1) 选择电感以提供所需的纹波电流。建议选用波纹电流约为最大输出电流的 40%。电感计算如下:
其中 Fsw 是开关频率, IOUT 是最大负载电流。
PW2163 调节器集成电路对不同的纹波电流幅值具有很强的耐受性。因此电感的最终选择可以稍微偏离计
算值,而不会显著影响性能。
2) 电感器的饱和电流额定值必须选择大于峰值电感器满载条件下的电流。
3) 电感器的 DCR 和开关频率下的铁心损耗必须足够低达到预期的效率要求。最好选择 DCR<50mΩ 的电
感器达到良好的整体效率。
联系人: | 郑先生(夸克微科技,不是夸克浏览器的) |
---|---|
电话: | 13528458039 |
Email: | zqf@kkmicro.com |
QQ: | 2867714804 |
微信: | 13528458039 |
地址: | 深圳市福田区赛格广场24楼2401A |