
10A45资料,芯片中文规格书
联系我们详情
PW5410A 是一种低噪声、恒频(1.2MHz)开关电容电压倍增器。它 2.7V 到 5V 输入
电压, 输出电压 5V,输出电流高达 250mA。低外部零件计数(一个飞线电容器和两个小旁
路电容器,在 VIN 和 VOUT 处)制造 PW5410A 是小型电池供电应用的理想选择。 新的电荷
泵结构保持恒定的开关频率到空载并降低输出和输入纹波。 PW5410A 具有热关机功能,可
在 从 VOUT 到 GND 的持续短路。内置软启动电路可防止过多的涌入 启动期间的电流。
特点
⚫ 固定 5V±4%输出
⚫ VIN 范围: 2.7V~ 5V
⚫ 输出电流:高达 250mA(VIN=4.5V)
⚫ 低噪声恒频运行
⚫ 关断电流: <1μA
⚫ 短路保护
⚫ 软启动
⚫ 无电感器
⚫ 提供低调的 6 线 SOT-23 封装
应用 芯片 135 代 2845 理 8039 Mr。 郑,技术支援 FAE
⚫ 白色 LED 背光
⚫ 锂离子电池备用电源
⚫ 本地 3V 至 5V 转换
⚫ 智能卡读卡器
⚫ PCMCIA 本地 5V 电源
代理商:深圳市夸克微科技 郑先生 :13528458039 QQ 2867714804
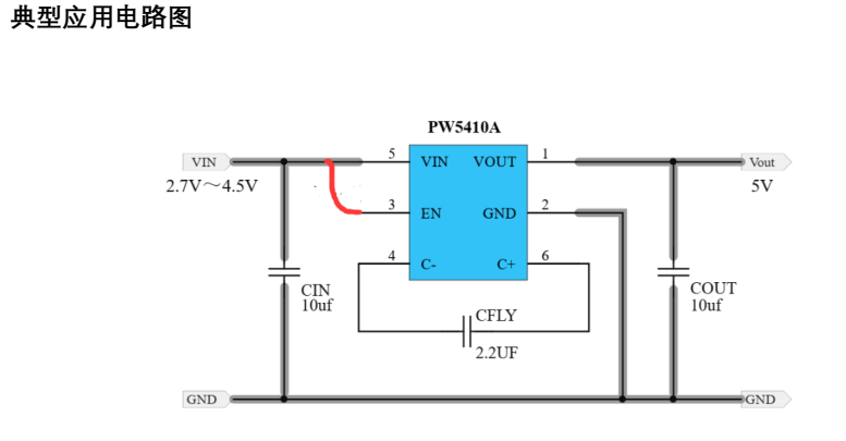
典型应用电路图
CIN 电容: 10uF, COUT 电容 22uF, L1 感值 2.2uH 贴片电感
PW5100 是一款高效率、低功耗、低纹波、高工作频率的 PFM 同步升压 DC/DC
变换器。输出电压可以进行内部调节,实现从 3.0V 至 5.0V 的固定输出电压, 调节步
进为 0.1V。
产品特点
最大效率可达: 95%
最高工作频率: 1.2MHz
⚫
超低启动电压: 0.7V@Io=1mA
⚫
宽输入电压范围: 0.7V~ 5.0V
⚫
输入静态电流: 10uA@VIN=2.0V
⚫
输出电压可选: 3.0V~ 5.0V@step=0.1V
输出电压精度: ±2.5%
⚫
低纹波,低噪声: ±10mV@Io=50mA
布局注意事项
由于其高开关频率和 PW5410A 产生的高瞬态电流, 必须仔细布局。一个真正的接地
平面和与所有电容器的短连接将提高性能,确保在任何情况下都能正确调节。
操作
PW5410A 使用开关电容电荷泵提高到可调节的输出电压。 调节是通过一个内部电
阻分压器和根据错误信号调制电荷泵输出电流。 。 在关机模式下,所有电路关闭,
PW5410A 只从 VIN 供应。此外, VOUT 与 VIN 断开。 EN 引脚是一个带有阈值电压约为
0.8V。施加逻辑低电压时, PW5410A 处于停机状态到 EN 引脚。由于 EN 管脚是高阻抗
CMOS 输入,因此不应允许其浮动。 为了确保它的状态被定义,它必须总是用一个有效
的逻辑电平来驱动。
短路保护
PW5410A 具有内置短路电流限制。在短路状态下,它将自动将输出电流限制在
300mA 左右。
软启动
PW5410A 具有内置的软启动电路,以防止启动期间 VIN 处的电流过大。软启动时
间预先编程为约 2.5ms,因此启动电流将为主要取决于输出电容。
VIN, VOUT 电容器选择
PW5410A 使用的电容器的类型和值决定了几个重要参数如调节器控制回路的稳定
性、输出纹波、电荷泵强度和最小启动时间等时间。为了降低噪声和纹波,建议使用低
ESR(<0.1Ω)陶瓷电容器用于 CIN 和 COUT。这些电容器应为 10μF 或更高。钽和铝不
建议使用电容器,因为它们的 ESR 较高。
飞行电容器的选择
警告:严禁使用钽或铝等极化电容器飞行电容器,因为它的电压可以逆转启动 PW5410A。
低 ESR 陶瓷电容器飞行电容器应始终使用。飞行电容器控制着升压泵
。为了达到额定输
出电流,必须至少有 2.2μF 飞行电容器的电容。
联系人: | 郑先生(夸克微科技,不是夸克浏览器的) |
---|---|
电话: | 13528458039 |
Email: | zqf@kkmicro.com |
QQ: | 2867714804 |
微信: | 13528458039 |
地址: | 深圳市福田区赛格广场24楼2401A |