
PW6513芯片代理商,原装,现货直销,技术支援
联系我们详情
一般说明
PW6513系列是一款高精度,高输入电压,低静态电流,高速,低具有高纹波抑制的线性稳压器。输入电压高达40V,负载电流为在电压=5V和VIN=7V时高达300mA。该设备采用BCD工艺制造。PW6513提供过电流限制、软启动和过温保护,确保设备工作在井况PW6513调节器采用标准SOT89-3L封装。标准产品无铅无卤素。
特征
输入电压:4.75V~40V
输出电压:1.8V~5.7V
输出精度:<±2%
输出电流:150mA(典型值)
高达300mA@VIN=7V,VOUT=5V,
电源抑制比:60dB@100Hz
跌落电压:600mV@IOUT=100mA
静态电流:4.2μA@VIN=12V(典型)
ESD高压断路器:8KV
电容器选择:10μF
应用
智能电表
车内娱乐
电动自行车
代理商:深圳市夸克微科技
郑先生 :13528458039
QQ 2867714804
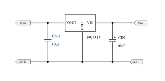
典型应用电路
申请信息
输入电容器
VIN和GND引脚之间需要10μF的输入电容。电容器放置尽量靠近VIN引脚,建议使用电解电容器。容忍度并且必须考虑温度系数,以保证电容器工作在工作范围超过整个温度范围和工作条件。
输出电容器
在实际应用中,选择输出电容器以保证其稳定运行是很重要的。稳定和正确选择的电容为1μF。电容公差应为±30%或优于工作温度范围。建议电容器类型为MLCC。
空载稳定性
PW6513将在无外部负载的情况下保持稳定和调节。这一点尤其重要在CMOS RAM中保持活跃的应用。
典型电路
下图显示了PW6513设备的典型应用电路。外部的价值应根据应用情况仔细选择部件。在封堵应用中,因为过冲引起的芯片上电源的插入和拔出可能会损坏对于芯片,建议VIN小于30V,输入电压峰值不应超过45V
在封堵应用中,建议R、C1选用如下:
1.C1=10μF~100μF电解电容器,电压大于50V,R=0;
2.C1=1μF~10μF MLCC,电压V大于50V,1206型R=2Ω
应仔细选择电阻器,以确保有足够的裕度来维持浪涌电流堵塞时
联系人: | 郑先生(夸克微科技,不是夸克浏览器的) |
---|---|
电话: | 13528458039 |
Email: | zqf@kkmicro.com |
QQ: | 2867714804 |
微信: | 13528458039 |
地址: | 深圳市福田区赛格广场24楼2401A |