面议
3A锂电池充电管理IC,PW4035
1145
面议
3A锂电池充电管理IC,PW4035
1093
面议
2A锂电池充电管理芯片,过温保护
1579
面议
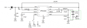
pw4203原装现货 技术支援
1693
面议
PW4065代理商,原装现货,技术支援
2011
深圳市夸克微科技有限公司
| 联系人: | 郑先生(夸克微科技,不是夸克浏览器的) |
|---|---|
| 电话: | 13528458039 |
| Email: | zqf@kkmicro.com |
| QQ: | 2867714804 |
| 微信: | 13528458039 |
| 地址: | 深圳市福田区赛格广场24楼2401A |
产品分类





