15V转5V,18V转5V芯片
- 2020-11-02 11:29:00
- admin 原创
- 1305
15V和 18V的电源供电,要输出转 5V的降压电路时,需要注意输入拔插和开关时的浪涌尖峰电压,时常我们需要加 TVS管,或者电解电容等等来吸收尖峰高压,同时我们在芯片 IC的选择上,也需要把注意输入电压的范围提供留有 5V以上最少的余量。
15V转 5V和 18V转 5V的电源电路解决方案有两种,根据不同的应用,功耗要求,输入电压范围,输出电流等等来觉得, 解决方案 1, LDO线性稳压 IC, 2,DC-DC降压稳压芯片。
解决方案 1, LDO线性稳压 IC:
我们知道当开关或者拔插电源时,会产生数倍高于输入电压的尖峰电压。表现明显的类似我们平时插上充电器时的电击声音,这个插入拔出的动作或者开关动作就会产生输入尖峰电压。吸收输入尖峰电压解决方案常见:并联 TVS管,加大或加 47uF-470uF电解电容, RC电路等等。根据不同输入应用来测试选择。
|
LDO产品 |
输入电压 |
输出电压 |
输出电流 |
静态功耗 |
封装 |
|
PW6566 |
1.8V~ 5.5V |
1.2V~ 5V多 |
250mA |
2uA |
SOT23-3 |
|
PW6218 |
4V~ 18V |
3V,3.3V,5V |
100MA |
3uA |
Sot23-3 |
|
PW6206 |
4.5V~ 40V |
3V,3.3V,5V |
150MA |
4.2uA |
Sot23/89 |
|
PW8600 |
4.5V~ 80V |
3V,3.3V,5V |
150MA |
2 uA |
Sot23-3 |
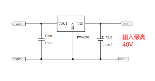
如上图的输入电压范围,我们可以选择 PW6206和 PW8600两款
。
PW6206可以选择输入电容改大容值的电解电容,如 100uF,或者输入串联电阻如 1206封装的 2欧姆电阻来吸收尖峰电压。
解决方案 2, DC-DC降压电路芯片
DC-DC
降压产品 输入电压 输出电压 输出电流 频率 封装
PW2057 2.0V~ 6.0V 3.3V,1.8V,1.2V 0.7A 1.5MHz SOT23-5
PW2058 2.0V~ 6.0V 1V~ 5V 0.8A 1.5MHz SOT23-5
PW2051 2.5V~ 5.5V 1V~ 5V 1.5A 1.5MHz SOT23-5
PW2052 2.5V~ 5.5V 1V~ 5V 2.0A 1.0 MHz SOT23-5
PW2053 2.5V~ 5.5V 1V~ 5V 3.0A 1.0 MHz SOT23-5
PW2162 4.5V~ 16V 1V~ 15V 2A 600KHZ SOT23-6
PW2163 4.5V~ 16V 1V~ 15V 3A 600KHZ SOT23-6
PW2205 4.5V~ 20V 1V~ 15V 5A 340KHZ SOP8-EP
PW2312 4.0V~ 30V 1V~ 28V 1.2A 1.4 MHz SOT23-6
PW2330 4.5V~ 30V 1V~ 28V 3A 130KHz SOP8
PW2431 4.5V~ 40V 1V~ 30V 3A 340KHz SOP8-EP
PW2558 4.5V~ 55V 1.25V~ 30V 0.8A 1.2MHz SOT23-6
PW2608 5.5V~ 60V 1.5-30V 0.8A 0.3-1Mhz SOP8-EP
PW2815 4.5V~ 80V 1.5V~ 30V 1.5A 400KHZ SOP8-EP
PW2906 12V~ 90V 1.25V~ 20V 0.6A 150KHZ SOP8-EP
PW2902 8V~ 90V 5V~ 30V 2A 140KHZ SOP8-EP
PW2153 8V~ 140V 5V~ 30V 4A 140KHZ SOP8
降压芯片推荐输入电压最高到 30V以上的芯片,图 PW2312, PW2330, PW2431, PW2558等
5V输出的测试图片没有拍,就发 15V-18V降压输出 12V的测试图片了。
| 联系人: | 郑先生(夸克微科技,不是夸克浏览器的) |
|---|---|
| 电话: | 13528458039 |
| Email: | zqf@kkmicro.com |
| QQ: | 2867714804 |
| 微信: | 13528458039 |
| 地址: | 深圳市福田区赛格广场24楼2401A |



