15V转3.3V,18V转3.3V电源芯片
- 2020-11-02 11:23:00
- admin 原创
- 1519
15V转 3.3V电源芯片, 18V转 3.3V电源芯片, 15V转 3.3V降压芯片, 18V转 3.3V降压芯片, 15V转 3.3V稳压芯片, 18V转 3.3V稳压芯片。
15V和 18V供电电压输入,降压转 3.3V的电源电路和芯片选择。首先需要由于 15V和 18V电压在开关动作时,或者拔插动作时,会产生浪涌(电火花)输入瞬间的尖峰电压,一般是输入电压的 2倍左右。
如果芯片耐压不够宽,或者输入瞬间尖峰电压不吸收掉,瞬间的高压打到了芯片,芯片容易出现损坏不良的现象,一般吸收电路有: 1是 TVS管, 2是加电解电容, 3, RC电路等等。
常用的是 TVS管和加电解电容的方式更多。
15V和 18V转 3.3V有两种解决方案 : 1,LDO 线性稳压方案, 2,DC-DC降压方案
1,LDO线性稳压方案
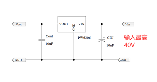
15V和 18V输入,通过下面的型号列举,我们可以选择有两款,一是 PW6206,二是 PW8600,输出电压是固定的:有 5V, 3.3V,3V选择。封装是 SOT23-3封装。
输入电压
输出电压
输出电流
静态功耗
封装
PW6566
1.8V~ 5.5V
1.2V~ 5V多
250mA
2uA
SOT23-3
PW6218
4V~ 18V
3V,3.3V,5V
100MA
3uA
Sot23-3
PW6206
4.5V~ 40V
3V,3.3V,5V
150MA
4.2uA
Sot23/89
PW8600
4.5V~ 80V
3V,3.3V,5V
150MA
2 uA
Sot23-3
2,DC-DC降压方案
DC-DC
降压产品 输入电压 输出电压 输出电流 频率 封装
PW2057 2.0V~ 6.0V 3.3V,1.8V,1.2V 0.7A 1.5MHz SOT23-5
PW2058 2.0V~ 6.0V 1V~ 5V 0.8A 1.5MHz SOT23-5
PW2051 2.5V~ 5.5V 1V~ 5V 1.5A 1.5MHz SOT23-5
PW2052 2.5V~ 5.5V 1V~ 5V 2.0A 1.0 MHz SOT23-5
PW2053 2.5V~ 5.5V 1V~ 5V 3.0A 1.0 MHz SOT23-5
PW2162 4.5V~ 16V 1V~ 15V 2A 600KHZ SOT23-6
PW2163 4.5V~ 16V 1V~ 15V 3A 600KHZ SOT23-6
PW2205 4.5V~ 20V 1V~ 15V 5A 340KHZ SOP8-EP
PW2312 4.0V~ 30V 1V~ 28V 1.2A 1.4 MHz SOT23-6
PW2330 4.5V~ 30V 1V~ 28V 3A 130KHz SOP8
PW2431 4.5V~ 40V 1V~ 30V 3A 340KHz SOP8-EP
PW2558 4.5V~ 55V 1.25V~ 30V 0.8A 1.2MHz SOT23-6
PW2608 5.5V~ 60V 1.5-30V 0.8A 0.3-1Mhz SOP8-EP
PW2815 4.5V~ 80V 1.5V~ 30V 1.5A 400KHZ SOP8-EP
PW2906 12V~ 90V 1.25V~ 20V 0.6A 150KHZ SOP8-EP
PW2902 8V~ 90V 5V~ 30V 2A 140KHZ SOP8-EP
PW2153 8V~ 140V 5V~ 30V 4A 140KHZ SOP8
DC-DC降压芯片的选择也有很多,以 PW2312开始,往后的型号都可以, PW2205输入电压最大值太接近了,适用于 15V,不适合 18V.
PW2312是一颗 DC-DC同步降压转换器芯片,输入电压范围 4V-30V,最大负载电流 1.2A,可调输出电压,频率 1.4MHZ高频率,可采用贴片电感,节省空间,采用 SOT23-6封装形式。
R1,R2为反馈电阻,通过两个电阻的阻值来调输出电压。
• 初接触电源设计工程师,在设计时往往忽略了功率地的回路和布线,如下图箭头处, VIN的 GND, CIN的 GND端, COUT的 GND端和 VOUT的 GND端和 PW芯片的 GND脚,这 5点,布线要宽的同时,回路连接不宜七绕八绕,要宽和直接。 CIN,COUT过孔时,也需要多打孔,布线宽。
| 联系人: | 郑先生(夸克微科技,不是夸克浏览器的) |
|---|---|
| 电话: | 13528458039 |
| Email: | zqf@kkmicro.com |
| QQ: | 2867714804 |
| 微信: | 13528458039 |
| 地址: | 深圳市福田区赛格广场24楼2401A |





