XB8608G芯片,现货
- 2020-11-09 16:37:00
- admin 原创
- 1469
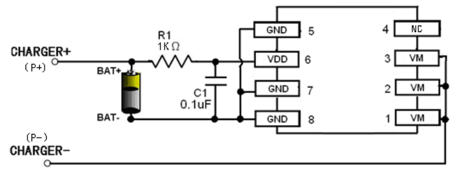
XB8608G系列产品锂离子/聚合物电池保护集成解决方案。XB8608G包含高级电源MOSFET,高精度电压检测电路和延迟电路。XB8608G被放入一个SOP8包中只有一个外部组件使之成为有限的理想解决方案电池组空间。XB8608G具备所有保护功能在电池应用中需要,包括过充、过放电、过电流以及负载短路保护等准确的过充电检测电压确保安全和充分利用充电。低备用电流消耗很少的电流在储藏室里。该设备不仅针对数字手机,也可为任何其他锂离子和锂聚合物电池供电需要长期电池寿命的信息设备。
特性
电池反接保护连接
集成先进功率MOSFET
相当于19mΩRSS(ON)
SOP8包
只需要一个外部电容器
过热保护
过充电电流保护·两步过电流检测:
过放电电流
负载短路
充电器检测功能·0V电池充电功能-内部产生延迟时间
高精度电压检测·低电流消耗-运行模式:3.9μA典型值。
断电模式:2.2μA典型值。·符合RoHS标准且无铅
应用
单电池锂离子电池组
锂聚合物电池组
联系人: 郑先生
电话: 13528458039
Email: zqf@kkmicro.com
QQ: 2867714804
微信: 13528458039
地址: 深圳市南山区蛇口街道渔一社区后海大道1021号BC座B303A16
| 联系人: | 郑先生(夸克微科技,不是夸克浏览器的) |
|---|---|
| 电话: | 13528458039 |
| Email: | zqf@kkmicro.com |
| QQ: | 2867714804 |
| 微信: | 13528458039 |
| 地址: | 深圳市福田区赛格广场24楼2401A |

