XBM330x代理商,原装现货
- 2020-11-09 16:41:00
- admin 原创
- 1283
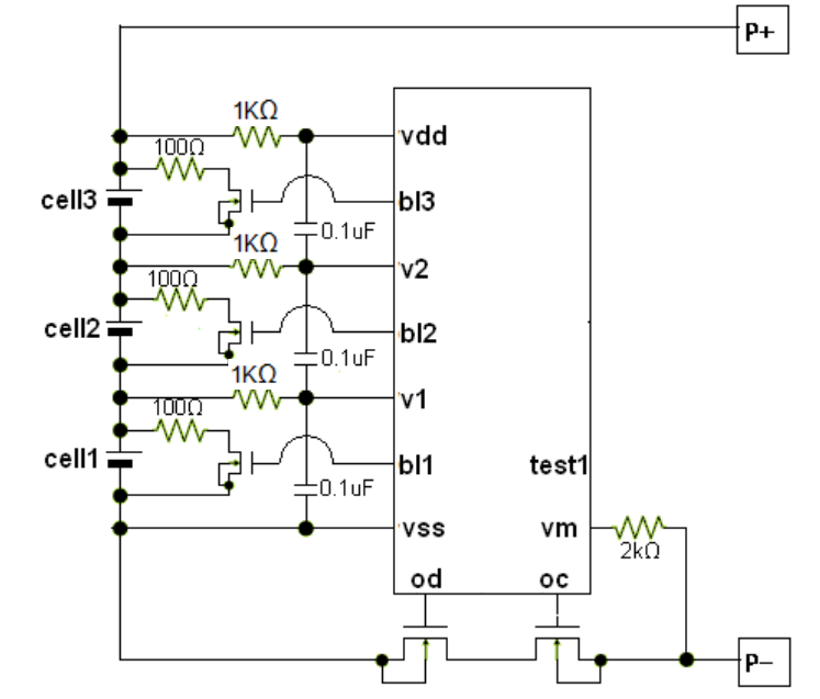
聚合物电池组过充、过放电、过电流、短路和电池不平衡。
特性
采用高压耐受工艺制造,最大额定值为28V
低供电电流
电池电压3.6V,适用于3电池类型。15µA(智商)
电池电压2.0V,适用于3电池类型。0.5微安(Isd)
SSOP16(螺距0.65mm)封装
探测器阈值的多样性
过充电检测器阈值-Vcu:3.7V-4.5V步进0.1伏
过充释放电压VcL=Vcu-0.15V
过放电探测器阈值VDL:2.4V-3.0V步进0.1伏
过放电释放电压-VDR=VDL+0.4V放电电流阈值10.2V
短探测器阈值1.5V(固定)
充电电流阈值-0.2V
输出延时时间设置
过充电检测器输出延迟1.0s
过放电探测器输出延时100ms
放电电流检测器输出延时9ms
电荷电流检测器输出延时9ms
短路检测器输出延迟100µs
0V电池充电功能
内置电池平衡功能ESD HBM>4000V符合RoHS和无铅铅
应用
电动工具
电动自行车
电力银行
3芯锂离子或锂聚合物可充电电池组
联系人: 郑先生
电话: 13528458039
Email: zqf@kkmicro.com
QQ: 2867714804
微信: 13528458039
地址: 深圳市南山区蛇口街道渔一社区后海大道1021号BC座B303A16
| 联系人: | 郑先生(夸克微科技,不是夸克浏览器的) |
|---|---|
| 电话: | 13528458039 |
| Email: | zqf@kkmicro.com |
| QQ: | 2867714804 |
| 微信: | 13528458039 |
| 地址: | 深圳市福田区赛格广场24楼2401A |

