LTH7五脚芯片的完整方案图
- 2020-12-19 13:25:00
- admin 原创
- 4848
内容目录:
A,LTH7贴片 5脚充电芯片 PW4054
1, 单节的锂电池保护电路 单节为 3.7V锂电池(也叫 4.2V)和 3.8V锂电池(也叫 4.35V)
2, 单节的锂电池充电电路 4.2V的 LTH7芯片, PW4054, 4.35V的 LTH7芯片, PW4065
3, 单节的锂电池输出电路 锂电池转换稳压输出为: 1.2V, 3.3V,5V, 12V等等
4, 1-3节锂电池的充放电芯片表 (几十个芯片分类图 )
                    5, 
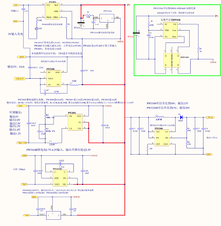
                    锂电池充放电整套电路组合 
                        保护电路
                    +充电电路
                    +升压电路
                    +LDO电路
                    +降压电路
                    
                    在锂电池上,需要三个电路系统:
                     
                    1
                    ,锂电池保护电路,
                     
                    2
                    ,锂电池充电电路,
                     
                    3
                    ,锂电池输出电路。
                    
                  
                    边充电边放电,从这里可以看出是锂电池充电电路与锂电池两者一起给锂电池输出电路供电。
                    A ,LTH7贴片5脚充电芯片
                  
LTH7是单节锂电池充电电路芯片, PW4054,负责将 USB口的 5V电源,转换降压适合 3.7V的锂电池充电,并提供一个 LED指示灯,指示充电长亮和充满灭灯的控制系统,并具有电池电压监测电路,实时监测电池电压,充满即停止充电。
搭配锂电池如: 3.7V的 18650, 3.7V的聚合物锂电池等等如果是 3.8V的锂电池,请使用 PW4065了。
                    锂电池有
                    3大电路系统,出了锂电池充电电路
                    PW4054芯片(
                    LTH7)外,还要其他
                    2大基础电路。
                  
                    
                    
                    
                  
1,单节的锂电池保护电路:
即锂电池保护板,控制锂电池的过放电和过充电功能(过充电充电 IC 也会有)
有的锂电池厂家出厂就自带了保护板了(大部分是默认没带保护板),有的锂电池没,就需要锂电池保护IC了。常用锂电池保护IC如:
                    
                  
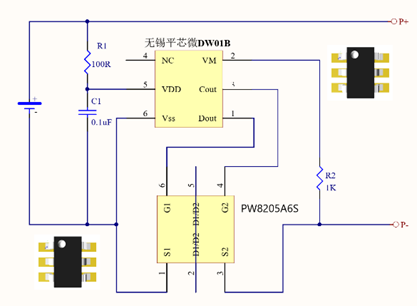
DW01B, 特点:外置MOS(PW8205A6S或者PW8205A8TS),由于是外置MOS,过充电电流和过放电电流可通过 很 多 个 MOS 并联来提高,这是很常见的,采用SOT23-6封装。
                    
                  
PW3130,特点:内置MOS,电路简单, 过充电电流和过放电电流是3A,适合功率不大电子产品,采用SOT23-5封装。
                    
                  
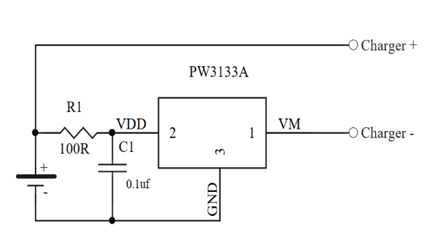
PW3133A,特点:内置MOS,电路简单,在PW3130的基础上再简洁了芯片体积,采用SOT23-3封装。
DW01B 和 PW3130,PW3133A 的电路图如下:
                    
                    PW3130
                    和
                    PW3133A
                    是相当于内置了
                    DW01B
                    和一个
                    3.5A
                    过流的开关
                    MOS
                    。
                    
                    
                  
2,单节锂电池充电电路:
即给锂电池充电的控制管理芯片,有带充电电压监测,充满就停止。
2-1,PW4054,特点:500MA充电电流,5V USB输入很常用的锂电池充电IC,采用SOT23-5封装;
2-2,PW4056,特点:1A充电电流, 5V USB输入也是属于常用的锂电池充电IC,采用SOP8封装;
2-3,PW4203,特点:5V,9V,12V,15V,20V兼容高低压输入的锂电池充电IC,采用SOP8封装。
2-4,PW4065,特点:500MA充电电流,5V USB输入反接保护,电池反接保护,采用SOT23-5封装; PIN对PIN PW4054,并提供4.2V和4.35V充电版本,针对不同的电池充电。
                    
                    
                    
                  
3,锂电池输出电路:
3-1 ,锂电池自身供电电压是3V-4.2V之间,锂电池直接供电,电路就是直接接供电。
3-2,锂电池升压输出电路:
                    
                  
- PW5100,锂电池升压5V输出,输出电流在600MA,外围很简单;
- PW5300,锂电池升压4.5V~10V,输出功率6W(6W/电压=电流)
- PW5328B,锂电池升压4.5V ~20V。(注:型号众多,不能一一列举)
- PW2224,锂电池升降压3.3V(可调输出),输出电流2A。升降压电路的;
- PW5600,锂电池升压5V,9V,12V,输出电路,3A,2A,1.5A的
- PW5400,锂电池升压5V2A(可调输出)的输出电路。
- PW5410B,锂电池输出固定3.3V(升降压稳压),电流150MA
                    
                  
3-3,锂电池降压输出电路:
                    
                  
- PW6566,LDO,输出3V,2.8V,2.5V,1.8V,1.5V,1.2V,电流可达250MA。
- PW2058,DC-DC降压,电流可达0.8A
- PW2051,DC-DC降压,电流可达1A
- PW2052,DC-DC降压,电流可达2A
- PW2053,DC-DC降压,电流可达3A (注:型号众多,需要其他功能,请联系我们)
                    
                  
                    
                    4,
                     1-3节锂电池的充放电芯片表 
                      (几十个芯片分类图
                    )
                    
                  
5, 单节锂电池 保护电路 + 锂电池充电电路 + 锂电池输出电路原理图:
包含:
锂电池保护板电路:PW3133A,DW01+PW8205A6S
锂电池充电电路:PW4054
锂电池升压输出电路:PW5100,PW5300
锂电池降压输出电路:PW2051,PW2052,PW2053,PW2058
锂电池LDO输出电路:PW6566
                    
                    
                    
                    代理商:深圳市夸克微科技
 郑先生 :13528458039 
                  
                    
                    
                    
                    QQ 2867714804
                    
                  
                    
                  
                    
                  
                    
                  
                    
                  
                    
                  
                    
                  
                    
                  
                    
                  
                    
                    
                  
                    
                  
| 联系人: | 郑先生(夸克微科技,不是夸克浏览器的) | 
|---|---|
| 电话: | 13528458039 | 
| Email: | zqf@kkmicro.com | 
| QQ: | 2867714804 | 
| 微信: | 13528458039 | 
| 地址: | 深圳市福田区赛格广场24楼2401A | 

















