PW6513高压40V的LDO芯片,SOT89封装
- 2020-12-21 14:14:00
- admin 原创
- 1311
一般说明
PW6513系列是一款高精度,高输入电压,低静态电流,高速,低具有高纹波抑制的线性稳压器。输入电压高达 40V,负载电流为在电压 =5V和 VIN=7V时高达 300mA。该设备采用 BCD工艺制造。 PW6513提供过电流限制、软启动和过温保护,确保设备工作在井况 PW6513调节器采用标准 SOT89-3L封装。标准产品无铅无卤素。
特征
输入电压: 4.75V~40V
输出电压: 1.8V~5.7V
输出精度: <± 2%
输出电流: 150mA(典型值)
高达 300mA@VIN=7V, VOUT=5V,
电源抑制比: 60dB@100Hz
跌落电压: 600mV@IOUT=100mA
静态电流: 4.2μ A@VIN=12V(典型)
ESD高压断路器: 8KV
电容器选择: 10μ F
应用
智能电表
车内娱乐
电动自行车
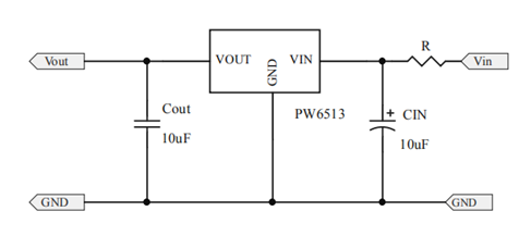
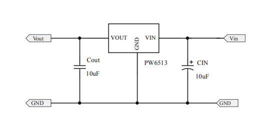
典型应用电路
                    
                    
                  
申请信息
输入电容器
VIN和 GND引脚之间需要 10μ F的输入电容。电容器放置尽量靠近 VIN引脚,建议使用电解电容器。容忍度并且必须考虑温度系数,以保证电容器工作在工作范围超过整个温度范围和工作条件。
输出电容器
在实际应用中,选择输出电容器以保证其稳定运行是很重要的。稳定和正确选择的电容为 1μ F。电容公差应为± 30%或优于工作温度范围。建议电容器类型为 MLCC。
空载稳定性
PW6513将在无外部负载的情况下保持稳定和调节。这一点尤其重要在 CMOS RAM中保持活跃的应用。
典型电路
下图显示了 PW6513设备的典型应用电路。外部的价值应根据应用情况仔细选择部件。在封堵应用中,因为过冲引起的芯片上电源的插入和拔出可能会损坏对于芯片,建议 VIN小于 30V,输入电压峰值不应超过 45V
                    
                    
                  
在封堵应用中,建议 R、 C1选用如下:
1.C1=10μ F~100μ F电解电容器,电压大于 50V, R=0;
2.C1=1μ F~10μ F MLCC,电压 V大于 50V, 1206型 R=2Ω
应仔细选择电阻器,以确保有足够的裕度来维持浪涌电流堵塞时
代理商:深圳市夸克微科技郑先生 :13528458039
QQ 2867714804
                  
                
| 联系人: | 郑先生(夸克微科技,不是夸克浏览器的) | 
|---|---|
| 电话: | 13528458039 | 
| Email: | zqf@kkmicro.com | 
| QQ: | 2867714804 | 
| 微信: | 13528458039 | 
| 地址: | 深圳市福田区赛格广场24楼2401A | 


