供应PW6206A33HV,40V高输入电压LDO线性稳压器
- 2020-12-31 12:02:00
- admin 原创
- 1097
一般说明
PW6206系列是一款高精度,高输入电压,低静态电流,高速,低压降线性稳压器具有高纹波抑制。在VOUT=5V&VIN=7V时,输入电压高达40V,负载电流高达300mA,采用BCD工艺制造。PW6206提供过电流限制、软启动和过热保护,以确保设备在良好的条件下工作
PW6206调节器有标准SOT89-3L和SOT23-3L封装。标准产品无铅无卤。
特点
- 输入电压:4.75V~40V
- 输出电压:1.8V~5.7V
- 输出精度:<±2%
- 输出电流:150mA(典型值)
- 最高300mA@VIN=7V,VOUT=5V,PW6206B50HV封装
- 电源抑制比:60dB@100Hz
- 跌落电压:600mV@IOUT=100mA
- 静态电流:4.2μA@VIN=12V(典型值)
- ESD HBM:8KV
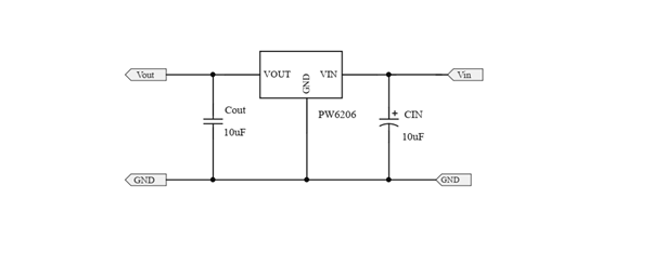
- 推荐电容器:10uF
应用
- 智能电表
- 车内娱乐
- 电动自行车
代理商:深圳市夸克微科技 郑先生 :13528458039 QQ 2867714804
典型应用电路
发表评论
文章分类
深圳市夸克微科技有限公司
| 联系人: | 郑先生(夸克微科技,不是夸克浏览器的) |
|---|---|
| 电话: | 13528458039 |
| Email: | zqf@kkmicro.com |
| QQ: | 2867714804 |
| 微信: | 13528458039 |
| 地址: | 深圳市福田区赛格广场24楼2401A |



