24V转5V稳压芯片,DC-DC同步整流降压开关转换器,低静态电流,高频率
- 2021-01-04 17:05:00
- admin 原创
- 1438
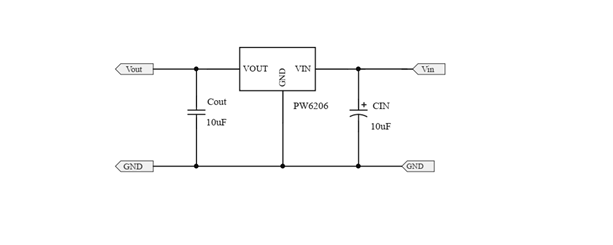
PW6206系列是一款高精度,高输入电压,低静态电流,高速,低压降线性稳压器具有高纹波抑制。在VOUT=5V&VIN=7V时,输入电压高达40V,负载电流高达300mA,采用BCD工艺制造。PW6206提供过电流限制、软启动和过热保护,以确保设备在良好的条件下工作
PW6206调节器有标准SOT89-3L和SOT23-3L封装。标准产品无铅无卤。
特点
l 输入电压:4.75V~40V
l 输出电压:1.8V~5.7V
l 输出精度:<±2%
l 输出电流:150mA(典型值)
l 最高300mA@VIN=7V,VOUT=5V,PW6206B50HV封装
l 电源抑制比:60dB@100Hz
l 跌落电压:600mV@IOUT=100mA
l 静态电流:4.2μA@VIN=12V(典型值)
l ESD HBM:8KV
l 推荐电容器:10uF
应用
l 智能电表
l 车内娱乐
l 电动自行车
代理商:深圳市夸克微科技 郑先生 :13528458039 QQ 2867714804
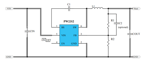
PW2312是一颗DC-DC同步降压转换器芯片,输入电压范围4V-30V,最大负载电流1.2A,可调输出电压,频率1.4MHZ高频率,可采用贴片电感,节省空间,采用SOT23-6封装形式。
PW2312是一颗高频率,同步整流降压开关转换器,内部集成了功率MOS管,节省了外部肖特基二极管,并提高了效率,PW2312采用SOT23-6的封装形式,可最大1.5A的输出电流。
PW2312具有宽范围的输入电压:4V-30V,可调的输出电压,最大输出电流1.5A.典型应用电路
PW2330开发了一种高效率的同步降压 DC-DC转换器 3A输出电流。 PW2330在 4.5V到 30V的宽输入电压范围内工作集成主开关和同步开关,具有非常低的 RDS( ON)以最小化传导损失。 PW2330采用专有的瞬时 PWM结构,实现快速瞬态响应适用于高降压应用和轻负载下的高效率。此外,它在在连续传导模式下的 500kHz伪恒定频率,以最小化电感器和电容器。
| 联系人: | 郑先生(夸克微科技,不是夸克浏览器的) |
|---|---|
| 电话: | 13528458039 |
| Email: | zqf@kkmicro.com |
| QQ: | 2867714804 |
| 微信: | 13528458039 |
| 地址: | 深圳市福田区赛格广场24楼2401A |






