24V转3.3V降压芯片,高效率同步降压DC-DC变换器
- 2021-01-04 17:10:00
- admin 原创
- 2109
PW2330开发了一种高效率的同步降压 DC-DC变换器 3A输出电流。 PW2330在 4.5V到 30V的宽输入电压范围内工作集成主开关和同步开关,具有非常低的 RDS( ON)以最小化传导
损失。 PW2330采用专有的瞬时 PWM结构,实现快速瞬态响应适用于高降压应用和轻负载下的高效率。此外,它在在连续传导模式下的 500kHz伪恒定频率,以最小化电感器和电容器。
特征
l 内部整流 MOS的低 RDS( on)(顶部 /底部): 90/60 mΩ
l 4.5-30V输入电压范围
l 瞬时 PWM架构实现快速
l 瞬态响应
l 外部软启动限制涌入电流
l 恒频: 500kHz
l 3A连续负载电流能力
l 输出过电流限制
l 输出短路保护当前折回
l 热关机和自动恢复
l 符合 RoHS标准且无卤素
l 紧凑型包装: SOP8-EP
应用
l 液晶显示器
l 液晶电视
l 机顶盒
l 北美
l 大功率 AP路由器
l 液晶显示器
l DVR/NVR
l 笔记本
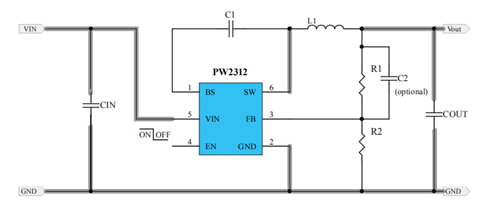
典型应用电路
PW2312是一颗 DC-DC同步降压转换器芯片,输入电压范围 4V-30V,最大负载电流 1.2A,可调输出电压,频率 1.4MHZ高频率,可采用贴片电感,节省空间,采用 SOT23-6封装形式。
PW2312是一颗高频率,同步整流降压开关转换器,内部集成了功率 MOS管,节省了外部肖特基二极管,并提高了效率, PW2312采用 SOT23-6的封装形式,可最大 1.5A的输出电流。
PW2312具有宽范围的输入电压:4V-30V,可调的输出电压,最大输出电流1.5A.典型应用电路
PW6206系列是一款高精度,高输入电压,低静态电流,高速,低功耗,具有高纹波抑制的线性稳压器。
PW6206的输入电压 4.75V - 40V,负载电流为在电压 =5V和 VIN=7V时高达 300mA。该设备采用 BCD工艺制造。 PW6206 提供过电流限制、软启动和过温保护,确保设备工作在正常情况下。
PW6206提供 3V,3.3V, 5V输出电压选择,静态电流 4.2uA。
PW6206标准 SOT23-3L封装。产品无铅无卤。
在高压应用中,建议 R、 Cin选用如下:
1, Cin=10μF~100μF电解电容器,最大电压大于 50V, R=0;
2,
Cin=1μF~10μF MLCC,最大电压
V大于
50V,
R=2Ω,
1206型电阻器,以确保有足够的裕量来维持浪涌电流输入尖峰电压
| 联系人: | 郑先生(夸克微科技,不是夸克浏览器的) |
|---|---|
| 电话: | 13528458039 |
| Email: | zqf@kkmicro.com |
| QQ: | 2867714804 |
| 微信: | 13528458039 |
| 地址: | 深圳市福田区赛格广场24楼2401A |




