24V转3.3V稳压芯片,高精度,高输入电压低静态电流,LDO线性稳压器
- 2021-01-04 17:13:00
- admin 原创
- 1515
PW2312是一个高频,同步,整流,降压,开关模式转换器内部功率MOSFET。它提供了一个非常紧凑的解决方案,以实现1.5A的峰值输出电流在广泛的输入电源范围内,具有优良的负载和线路调节PW2312需要最少数量的现成外部组件,可在节省空间的SOT23-6包。
特征
l 宽4V至30V工作输入范围
l 1.2A连续输出电流
l 1.4MHz开关频率
l 短路保护模式
l 内置过流限制
l 内置过电压保护
l 模式PWM
l 内部软启动
l 200mΩ/150mΩ低RDS(ON)内部功率金氧半晶体
l 不需要肖特基二极管
l 综合内部补偿
l 热关机
l 提供SOT23-6套装
l -40°C至+85°C温度范围
应用
l 闭路电视摄像机
l 平板电视和显示器
l 电池充电器
l 分布式电力系统
代理商:深圳市夸克微科技 郑先生 :13528458039 QQ 2867714804
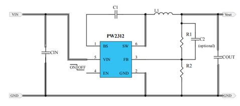
典型应用电路
CIN推荐47-100uF同时并联0.1uF,输入电压低时贴片电容,输入高时要电解电容
COUT建议22uF两个并联,L1推荐2.2-4.7UH,C2一般是22pF,可调输入电压低时,EN可直接接VIN,输入电压高时,一般串个电阻再接VIN。
PW2330开发了一种高效率的同步降压DC-DC转换器3A输出电流。PW2330在4.5V到30V的宽输入电压范围内工作集成主开关和同步开关,具有非常低的RDS(ON)以最小化传导损失。PW2330采用专有的瞬时PWM结构,实现快速瞬态响应适用于高降压应用和轻负载下的高效率。此外,它在在连续传导模式下的500kHz伪恒定频率,以最小化电感器和电容器。
PW6206系列是一款高精度,高输入电压,低静态电流,高速,低功耗,具有高纹波抑制的线性稳压器。
PW6206的输入电压4.75V - 40V,负载电流为在电压=5V和VIN=7V时高达300mA。该设备采用BCD工艺制造。PW6206 提供过电流限制、软启动和过温保护,确保设备工作在正常情况下。
PW6206提供3V,3.3V,5V输出电压选择,静态电流4.2uA。
PW6206标准SOT23-3L封装。产品无铅无卤。
在高压应用中,建议R、Cin选用如下:
1,Cin=10μF~100μF电解电容器,最大电压大于50V,R=0;
2,Cin=1μF~10μF MLCC,最大电压V大于50V,R=2Ω,1206型电阻器,以确保有足够的裕量来维持浪涌电流输入尖峰电压
| 联系人: | 郑先生(夸克微科技,不是夸克浏览器的) |
|---|---|
| 电话: | 13528458039 |
| Email: | zqf@kkmicro.com |
| QQ: | 2867714804 |
| 微信: | 13528458039 |
| 地址: | 深圳市福田区赛格广场24楼2401A |





