3.7V转3V,5V转3V高效率降压芯片
- 2020-11-02 10:16:00
- admin 原创
- 2144
3.7V转 3V, 5V转 3V的电路和芯片解决方案有 2种: 1,降压芯片, 2, LDO芯片。
解决方案 1,降压芯片
3.7V大家都知道是锂电池多,确实是 3.7V锂电池的话,锂电池的充满电和放电后的电压变化是在: 3V-4.2V之间,带保护板的锂电池。 3V输入转 3V的话,降压芯片的占空比都是 95%以上,输出电压能在 2.8V左右。一般都可以接受就不用到升降压芯片 PW2228A了 .
5V输入分 2种情况, 1是稳定的 5V电源, 2是不稳定的 5V电源,有时电压会高于 5V,或者经常拔插尖峰电压高于 6V等。就需要更高输入的降压芯片来完成工作。
|
降压产品 |
输入电压 |
输出电压 |
输出电流 |
频率 |
封装 |
|
PW2058 |
2.0V~ 6.0V |
1V~ 5V |
0.8A |
1.5MHz |
SOT23-5 |
|
PW2051 |
2.5V~ 5.5V |
1V~ 5V |
1.5A |
1.5MHz |
SOT23-5 |
|
PW2052 |
2.5V~ 5.5V |
1V~ 5V |
2.0A |
1.0 MHz |
SOT23-5 |
|
PW2053 |
2.5V~ 5.5V |
1V~ 5V |
3.0A |
1.0 MHz |
SOT23-5 |
|
PW2162 |
4.5V~ 16V |
1V~ 15V |
2A |
600KHZ |
SOT23-6 |
|
PW2163 |
4.5V~ 16V |
1V~ 15V |
3A |
600KHZ |
SOT23-6 |
|
PW2205 |
4.5V~ 20V |
1V~ 15V |
5A |
340KHZ |
SOP8-EP |
|
PW2312 |
4.0V~ 30V |
1V~ 28V |
1.2A |
1.4 MHz |
SOT23-6 |
|
PW2330 |
4.5V~ 30V |
1V~ 28V |
3A |
130KHz |
SOP8 |
|
PW2431 |
4.5V~ 40V |
1V~ 30V |
3A |
340KHz |
SOP8-EP |
|
PW2558 |
4.5V~ 55V |
1.25V~ 30V |
0.8A |
1.2 MHz |
SOT23-6 |
|
PW2608 |
5.5V~ 60V |
1.5-30V |
0.8A |
0.3-1Mhz |
SOP8-EP |
|
PW2815 |
4.5V~ 80V |
1.5V~ 30V |
1.5A |
400KHZ |
SOP8-EP |
|
PW2906 |
12V~ 90V |
1.25V~ 20V |
0.6A |
150KHZ |
SOP8-EP |
|
PW2902 |
8V~ 90V |
5V~ 30V |
2A |
140KHZ |
SOP8-EP |
|
PW2153 |
8V~ 140V |
5V~ 30V |
4A |
140KHZ |
SOP8 |
|
。。。 |
|||||
如上表,我们的出方案:
方案 1: 3.7V和稳定 5V输入的降压芯片:
|
降压产品 |
输入电压 |
输出电压 |
输出电流 |
|
PW2057 |
2.0V~ 6.0V |
3.3V,1.8V,1.2V |
0.7A |
|
PW2058 |
2.0V~ 6.0V |
1V~ 5V |
0.8A |
|
PW2051 |
2.5V~ 5.5V |
1V~ 5V |
1.5A |
|
PW2052 |
2.5V~ 5.5V |
1V~ 5V |
2.0A |
|
PW2053 |
2.5V~ 5.5V |
1V~ 5V |
3.0A |
PW2051/2/3/8/7 内置功率 MOSFET, 集成了过压、过流、过热、短路等诸多保护电路,在超过控制值时会自动断开,以保护芯片。产品结合了微型封装和低消耗电流等特点,最适合在移动设备的电源内部使用。
PW2057是不同的 PIN脚,脚位, PW2058/1/2/3都是相同的 PCB布局和电路。
方案 2:不稳定的 5V输入和比 5V高电压产生的的。
|
PW2162 |
4.5V~ 16V |
可调输出电压 |
2A |
|
PW2163 |
4.5V~ 16V |
可调输出电压 |
3A |
|
PW2205 |
4.5V~ 20V |
可调输出电压 |
5A |
|
PW2312 |
4.0V~ 30V |
可调输出电压 |
1.2A |
虽然输入电压是宽些,但是这个不是重点,注意是看输出电流来选择合适的芯片了。
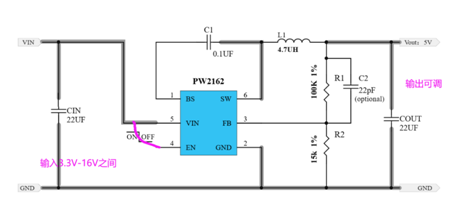
常用的都是 PW2162这款看起来最多了。
解决方案 2, LDO芯片
LDO由于是线性降压,所以外围少,静态功耗低,但是就是工作功耗高,效率不高,这点也是常识了。
LDO输入稳定的 5V的话,就是 PW6566了,输出固定 3V,外围就是 2个电容, SOT23-3三极管
其他都是更高输入电压范围,用来做 5V也是可以的
LDO产品 输入电压 输出电压 输出电流 静态功耗 封装
PW6566 1.8V~ 5.5V 1.2V~ 5V多 250mA 2uA SOT23-3
PW6218 4V~ 18V 3V,3.3V,5V 100MA 3uA Sot23-3
PW6206 4.5V~ 40V 3V,3.3V,5V 150MA 4.2uA Sot23/89
PW8600 4.5V~ 80V 3V,3.3V,5V 150MA 2 uA Sot23-3
| 联系人: | 郑先生(夸克微科技,不是夸克浏览器的) |
|---|---|
| 电话: | 13528458039 |
| Email: | zqf@kkmicro.com |
| QQ: | 2867714804 |
| 微信: | 13528458039 |
| 地址: | 深圳市福田区赛格广场24楼2401A |







