5V转1.2V,3.7V转1.2V稳压芯片
- 2020-11-02 10:26:00
- admin 原创
- 1486
5V转 1.2V稳压芯片, 3.7V转 1.2V稳压芯片, 5V转 1.2V降压芯片, 3.7V转 1.2V降压芯片,输出电流 0-3A,效率可高达 95%的电源芯片。
3.7V这个电压是比较常见的锂电池的标称电压,但是实际上, 3.7V的锂电池从满电和放电停止的电压变化是 3V-4.2V之间,这个输入电压范围还是有很多合适的 DC-DC降压芯片和 LDO芯片选择的。
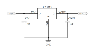
LDO芯片:一般是 PW6566线性稳压器,外围简单, SOT23-3封装,即常见的贴片三极管封装,最大电流是 250MA. 输出电压固定版本: 5V,3.3V,3V,2.8V,2.5V,1.8V,1.5V1.2V等。
DC-DC降压芯片:最高输入电压在 4V多,可以不用像 5V那么多考虑,可以直接用几款降压芯片来做选择:
1,PW2058,可调输出,最大 0.8A电流,效率 95%
2,PW2051,可调输出,最大 1.5A电流,效率 95%
3,PW2052,可调输出,最大 2.0A电流,效率 95%
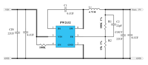
4,PW2053,可调输出,最大 3.0A电流,效率 95%
同时 PW2058/1/2/3的 PIN脚功能是一样的,可以在同一个 PCB布局和板子上进行不同电流和效率的测试验证等。以此可以让工程师更快和方便选型和得到合适的功能降压芯片。
举例:
PW2053的典型电路图:
5V的输入电压,我们知道在有些电源或者供电的 5V输入可能是不稳定的,比如拔插造成的瞬间尖峰电压 6V,8V等,就需要选择更宽输入范围的降压芯片和 LDO来搭配了。
如果是 5V稳定电压,则可以用跟上面说的 3.7V的 PW2058/1/2/3那几款降压芯片了。
|
降压产品 |
输入电压 |
输出电压 |
输出电流 |
频率 |
封装 |
|
PW2058 |
2.0V~ 6.0V |
1V~ 5V |
0.8A |
1.5MHz |
SOT23-5 |
|
PW2051 |
2.5V~ 5.5V |
1V~ 5V |
1.5A |
1.5MHz |
SOT23-5 |
|
PW2052 |
2.5V~ 5.5V |
1V~ 5V |
2.0A |
1.0 MHz |
SOT23-5 |
|
PW2053 |
2.5V~ 5.5V |
1V~ 5V |
3.0A |
1.0 MHz |
SOT23-5 |
|
PW2162 |
4.5V~ 16V |
1V~ 15V |
2A |
600KHZ |
SOT23-6 |
|
PW2163 |
4.5V~ 16V |
1V~ 15V |
3A |
600KHZ |
SOT23-6 |
|
PW2205 |
4.5V~ 20V |
1V~ 15V |
5A |
340KHZ |
SOP8-EP |
|
PW2312 |
4.0V~ 30V |
1V~ 28V |
1.2A |
1.4 MHz |
SOT23-6 |
|
PW2330 |
4.5V~ 30V |
1V~ 28V |
3A |
130KHz |
SOP8 |
|
PW2431 |
4.5V~ 40V |
1V~ 30V |
3A |
340KHz |
SOP8-EP |
|
PW2558 |
4.5V~ 55V |
1.25V~ 30V |
0.8A |
1.2 MHz |
SOT23-6 |
|
PW2608 |
5.5V~ 60V |
1.5-30V |
0.8A |
0.3-1Mhz |
SOP8-EP |
|
PW2815 |
4.5V~ 80V |
1.5V~ 30V |
1.5A |
400KHZ |
SOP8-EP |
|
PW2906 |
12V~ 90V |
1.25V~ 20V |
0.6A |
150KHZ |
SOP8-EP |
|
PW2902 |
8V~ 90V |
5V~ 30V |
2A |
140KHZ |
SOP8-EP |
|
PW2153 |
8V~ 140V |
5V~ 30V |
4A |
140KHZ |
SOP8 |
|
。。。 |
|||||
宽范围的 DC-DC降压芯片:
1, PW2162,输入 3.3V-16V范围,输出电流最大 2A
2, PW2163,输入 4.5V-18V范围,输出电流最大 3A
3, PW2312,输入 4.5V-30V范围,输出电流最大 1.2A
4, 这三款的 Pin脚功能是一样的,也是可以提供了很多方便,可以在同一个 PCB布局和板子上进行测试和验证最终确定等
典型参考电路图: PW2312示例
LDO线性稳压 1.2V
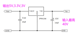
LDO的选择如,采用 PW6566,如果是输出 5V,3.3V,3V,输入电压高的,可以用 PW6206。
| 联系人: | 郑先生(夸克微科技,不是夸克浏览器的) |
|---|---|
| 电话: | 13528458039 |
| Email: | zqf@kkmicro.com |
| QQ: | 2867714804 |
| 微信: | 13528458039 |
| 地址: | 深圳市福田区赛格广场24楼2401A |







