9V转5V,12V转5V降压芯片和LDO
- 2020-11-02 11:20:00
- admin 原创
- 2183
9V转 5V降压芯片, 12V转 5V降压芯片, 9V转 5V稳压芯片, 12V转 5V稳压芯片,
9V转 5V恒压输出方案, 12V转 5V输出的恒压降压方案, 9V转 5V的 LDO芯片, 12V转 5V的 LDO芯片。
9V和 12V是两个很相邻的电压,所以再电路上,特别是再降压电路中,基本上效率和工作稳定的相差不是很大的,我们在芯片的选型上也能可以在同一个范围内了。 9V转 5V,和 12V转 5V有两种解决方案: 1, DC-DC降压方案, 2, LDO稳压方案
1, DC-DC降压方案
9V和 12V输入两种电压差比较低,同时又因为这两个电压值是比较常规的电压值了,所以在电源芯片上,大家都把范围做到互相兼容了。基本都是能互相兼容。
|
降压产品 |
输入电压 |
输出电压 |
输出电流 |
频率 |
封装 |
|
PW2058 |
2.0V~ 6.0V |
1V~ 5V |
0.8A |
1.5MHz |
SOT23-5 |
|
PW2051 |
2.5V~ 5.5V |
1V~ 5V |
1.5A |
1.5MHz |
SOT23-5 |
|
PW2052 |
2.5V~ 5.5V |
1V~ 5V |
2.0A |
1.0 MHz |
SOT23-5 |
|
PW2053 |
2.5V~ 5.5V |
1V~ 5V |
3.0A |
1.0 MHz |
SOT23-5 |
|
PW2162 |
4.5V~ 16V |
1V~ 15V |
2A |
600KHZ |
SOT23-6 |
|
PW2163 |
4.5V~ 16V |
1V~ 15V |
3A |
600KHZ |
SOT23-6 |
|
PW2205 |
4.5V~ 20V |
1V~ 15V |
5A |
340KHZ |
SOP8-EP |
|
PW2312 |
4.0V~ 30V |
1V~ 28V |
1.2A |
1.4 MHz |
SOT23-6 |
|
PW2330 |
4.5V~ 30V |
1V~ 28V |
3A |
130KHz |
SOP8 |
|
PW2431 |
4.5V~ 40V |
1V~ 30V |
3A |
340KHz |
SOP8-EP |
|
PW2558 |
4.5V~ 55V |
1.25V~ 30V |
0.8A |
1.2 MHz |
SOT23-6 |
|
PW2608 |
5.5V~ 60V |
1.5-30V |
0.8A |
0.3-1Mhz |
SOP8-EP |
|
PW2815 |
4.5V~ 80V |
1.5V~ 30V |
1.5A |
400KHZ |
SOP8-EP |
|
PW2906 |
12V~ 90V |
1.25V~ 20V |
0.6A |
150KHZ |
SOP8-EP |
|
PW2902 |
8V~ 90V |
5V~ 30V |
2A |
140KHZ |
SOP8-EP |
|
PW2153 |
8V~ 140V |
5V~ 30V |
4A |
140KHZ |
SOP8 |
|
。。。 |
|||||
PW2162和 PW2163,输入 3.3V-16V的宽范围内,最大输出电流 2A和 3A的选择。同时 PIN也是一样,可以很方便地设计和测试应用。
PW2312是一颗 DC-DC同步降压转换器芯片,输入电压范围 4V-30V,最大负载电流 1.2A,可调输出电压,频率 1.4MHZ高频率,可采用贴片电感,节省空间,采用 SOT23-6封装形式。
R1,R2为
反馈电阻,通过两个电阻的阻值来调输出电压。
L1为电感,可选用贴片电感:屏蔽电感,功率电感等,电感饱和电流越大和体积越大也能最大化效率和温度。
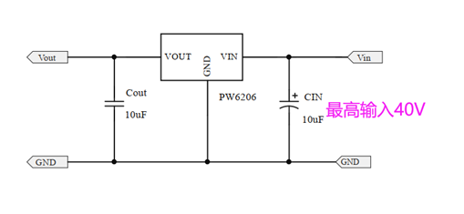
2, LDO稳压方案
9V和 12V输入的线性 LDO,建议可选用输入电压范围宽的 PW6206,稳压 5V和 3.3V, 3V等
LDO产品 输入电压 输出电压 输出电流 静态功耗 封装
PW6566 1.8V~ 5.5V 1.2V~ 5V多 250mA 2uA SOT23-3
PW6218 4V~ 18V 3V,3.3V,5V 100MA 3uA Sot23-3
PW6206 4.5V~ 40V 3V,3.3V,5V 150MA 4.2uA Sot23/89
PW8600 4.5V~ 80V 3V,3.3V,5V 150MA 2 uA Sot23-3
| 联系人: | 郑先生(夸克微科技,不是夸克浏览器的) |
|---|---|
| 电话: | 13528458039 |
| Email: | zqf@kkmicro.com |
| QQ: | 2867714804 |
| 微信: | 13528458039 |
| 地址: | 深圳市福田区赛格广场24楼2401A |




