芯片信息
1148
2020-11-09
XPT8871代理商,原装现货
XPT8871 是一款无FM干扰,AB/D 类可选式功率放大器。5V 工作电压时,最大驱动功率为 5W(2Ω,BTL 负载,THD<10%),音频范围内总谐波失真噪声小于 1%。XPT8871的应用电路简单,只需极少数外围器件,集成反...
1355
2020-11-09
XPT4871F矽普特,技术支持,现货
XPT4871F 是适用于移动电话及便携通讯设备的AB 类音频功率放大器。5V 工作电压时,最大驱动功率为 3W(4Ω,BTL 负载),音频范围内总谐波失真噪声小于 1%(20Hz~20KHz)。 XPT4871F 的应用电路简单,只需极...
1199
2020-11-09
XBM330x代理商,原装现货
XBM330x系列是一款3系列锂离子/锂聚合物充电保护IC包括高精度电压检测电路、延时电路和电池平衡电路XBM330x系列适用于保护3系列可充电锂离子电池/锂电池 聚合物电池组过充、过放电、过电流、短路和电池不平衡。特性采用...
1382
2020-11-09
XB8608G芯片,现货
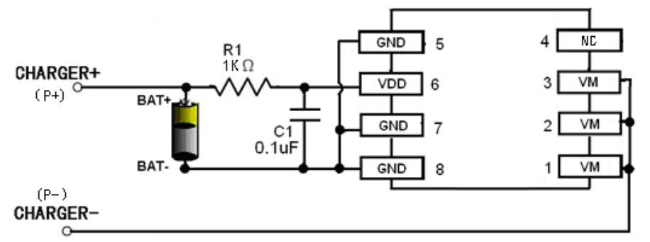
XB8608G系列产品锂离子/聚合物电池保护集成解决方案。XB8608G包含高级电源MOSFET,高精度电压检测电路和延迟电路。XB8608G被放入一个SOP8包中只有一个外部组件使之成为有限的理想解决方案电池组空间。XB8608G具备所有...
1770
2020-11-09
XB8608A技术支持,现货,代理商
XB8608A系列产品锂离子/聚合物电池保护集成解决方案。XB8608A包含高级电源MOSFET,高精度电压检测电路和延迟电路。XB8608A采用SOP8封装只有一个外部组件使之成为有限的理想解决方案电池组空间。XB8608A具备所有保护功...
文章分类
深圳市夸克微科技有限公司
| 联系人: | 郑先生(夸克微科技,不是夸克浏览器的) |
|---|---|
| 电话: | 13528458039 |
| Email: | zqf@kkmicro.com |
| QQ: | 2867714804 |
| 微信: | 13528458039 |
| 地址: | 深圳市福田区赛格广场24楼2401A |





