PW2330芯片3A,4.5V-30V输入,同步降压调节器
- 2020-11-30 16:03:00
- admin 原创
- 1191
一般说明
PW2330 开发了一种高效率的同步降压 DC-DC 变换器 3A 输出电流。 PW2330 在 4.5V 到 30V 的宽输入电压范围内工作集成主开关和同步开关,具有非常低的 RDS ( ON )以最小化传导
损失。PW2330 采用专有的瞬时 PWM 结构,实现快速瞬态响应适用于高降压应用和轻负载下的高效率。此外,它在在连续传导模式下的 500kHz 伪恒定频率,以最小化电感器和电容器。
特征
内部整流MOS 的低RDS ( on )(顶部 / 底部): 90/60 m Ω
4.5-30V 输入电压范围
瞬时PWM 架构实现快速
瞬态响应
外部软启动限制涌入电流
恒频:500kHz
3A 连续负载电流能力
输出过电流限制
输出短路保护当前折回
热关机和自动恢复
符合RoHS 标准且无卤素
紧凑型包装:SOP8-EP
应用
液晶显示器
液晶电视
机顶盒
北美
大功率AP 路由器
液晶显示器
DVR/NVR
笔记本
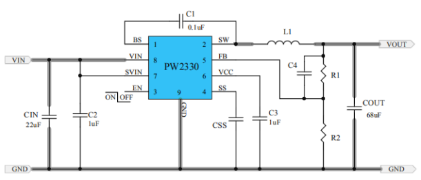
典型应用电路
品牌代理商:深圳市夸克微科技
郑生: 13528458039
QQ : 2867714804
| 联系人: | 郑先生(夸克微科技,不是夸克浏览器的) |
|---|---|
| 电话: | 13528458039 |
| Email: | zqf@kkmicro.com |
| QQ: | 2867714804 |
| 微信: | 13528458039 |
| 地址: | 深圳市福田区赛格广场24楼2401A |

